EasyManua.ls Logo

Habegger HIT-TRAC 16 E - Schéma Électrique de Connexions

Habegger HIT-TRAC 16 E
Print Icon
To Next Page IconTo Next Page
To Next Page IconTo Next Page
To Previous Page IconTo Previous Page
To Previous Page IconTo Previous Page
Loading...
42
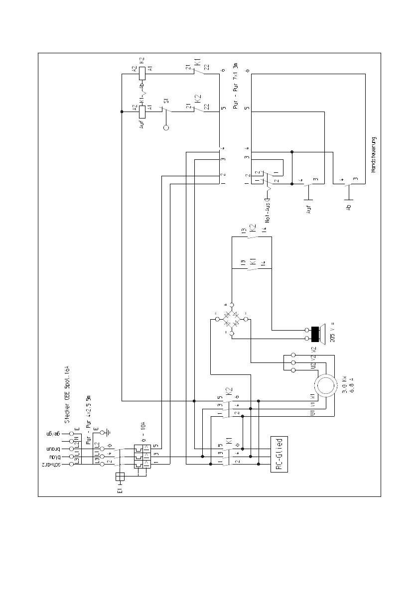
4.1 Schéma électrique de connexions no. 900 00022

Table of Contents