EasyManua.ls Logo

Habegger HIT-TRAC 16 E - Electrical Circuit Diagram

Habegger HIT-TRAC 16 E
Print Icon
To Next Page IconTo Next Page
To Next Page IconTo Next Page
To Previous Page IconTo Previous Page
To Previous Page IconTo Previous Page
Loading...
66
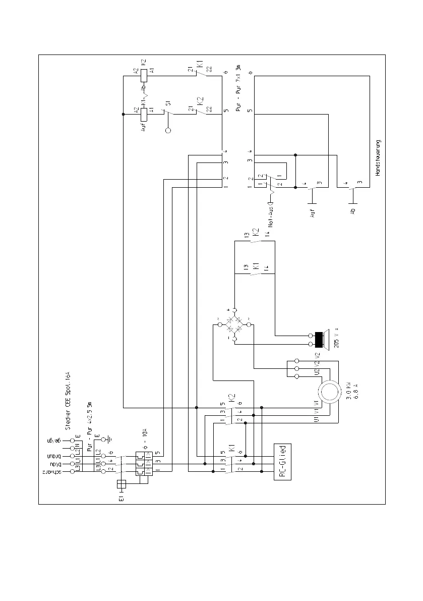
4.1 Electrical circuit diagram 900 00022

Table of Contents