EasyManua.ls Logo

Hach Polymentron 9500 - 4.3 Yüksek gerilim bariyeri; 4.4 Elektrostatik boşalma (ESD) ile ilgili önemli bilgiler

Hach Polymentron 9500
460 pages
Print Icon
To Next Page IconTo Next Page
To Next Page IconTo Next Page
To Previous Page IconTo Previous Page
To Previous Page IconTo Previous Page
Loading...
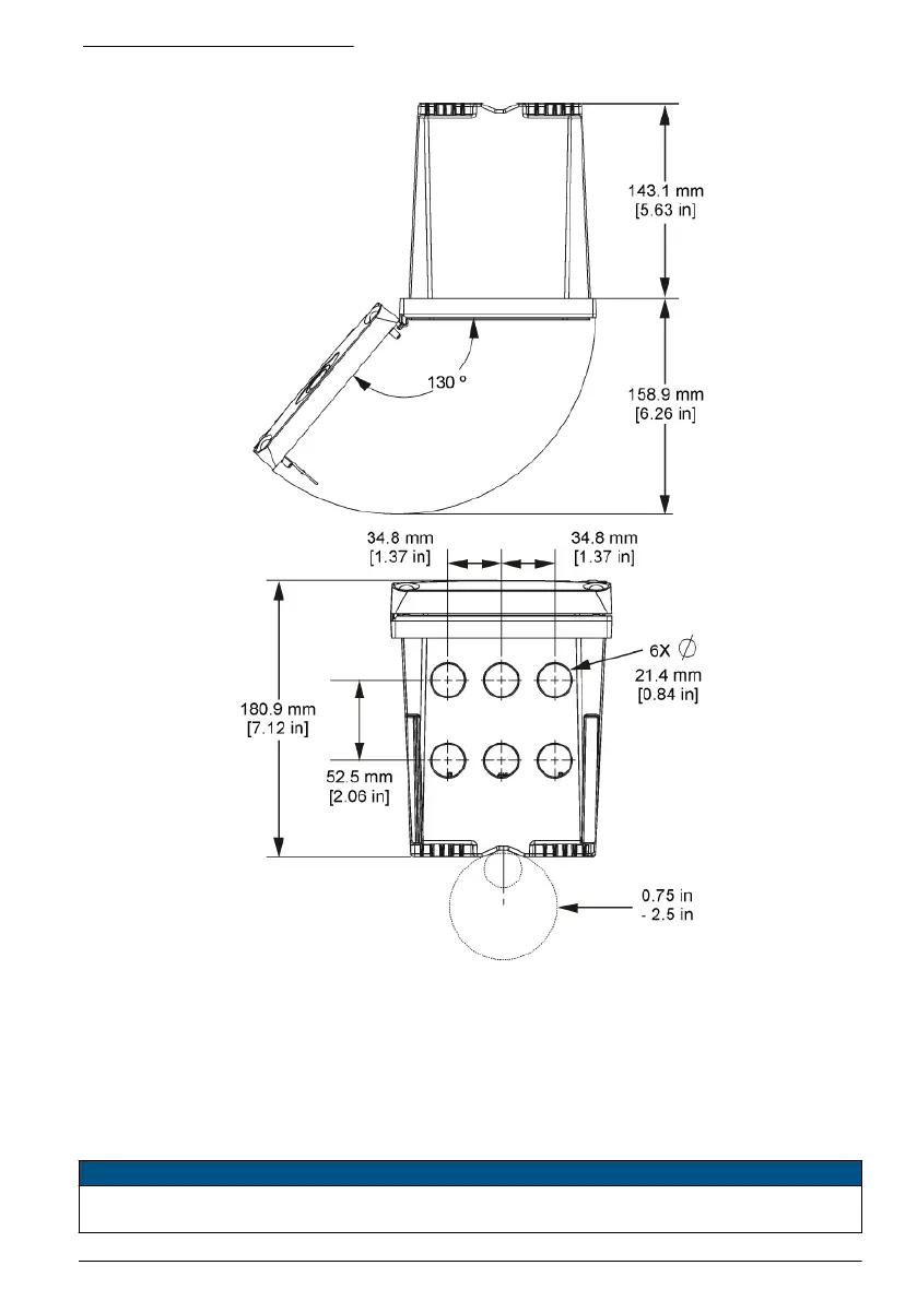
Şekil 6 Üstten ve alttan görüntü
4.3 Yüksek gerilim bariyeri
Kontrol ünitesi yüksek gerilim kablo bağlantısı, kontrol ünitesi yuvasındaki yüksek gerilim bariyerinin
arkasında bulunur. Engel, modüllerin takılması ya da uzman bir montaj teknisyeni tarafından elektrik,
alarm, çıkış ya da röle için kablolama yapılması durumu dışında yerinde olmalıdır. Kontrol ünitesine
elektrik verilirken bariyeri çıkarmayın.
4.4 Elektrostatik boşalma (ESD) ile ilgili önemli bilgiler
B İ L G İ
Potansiyel Cihaz Hasarı. Hassas dahili elektronik parçalar statik elektrikten zarar görebilir ve bu durum cihaz
performansının düşmesine ya da cihazın arızalanmasına neden olabilir.
Türkçe 417

Table of Contents