EasyManua.ls Logo

Haier HSU12 - Page 20

Haier HSU12
116 pages
To Next Page IconTo Next Page
To Next Page IconTo Next Page
To Previous Page IconTo Previous Page
To Previous Page IconTo Previous Page
Loading...

Domestic Air Conditioner
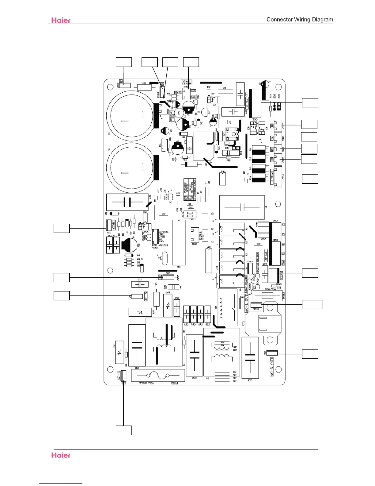
PCB(1)
CN2
CN1
CN4
CN8
CN25
CN26 CN24 CN23 CN22
CN17
CN18
CN19
CN20
CN16
CN21
CN10
CN3
17
HSU12/18VHJ(DB)

Table of Contents

Related product manuals