EasyManua.ls Logo

Haier LTF42M1C - Block Diagram

Haier LTF42M1C
83 pages
Print Icon
To Next Page IconTo Next Page
To Next Page IconTo Next Page
To Previous Page IconTo Previous Page
To Previous Page IconTo Previous Page
Loading...
42
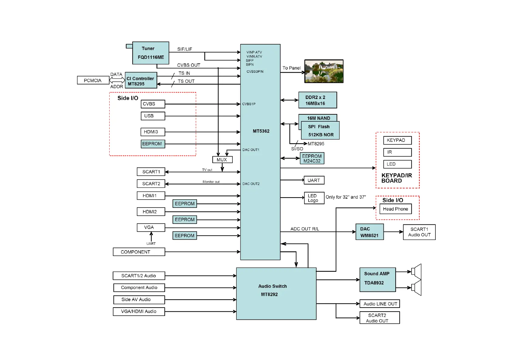
8. Block Diagram

Related product manuals