EasyManua.ls Logo

Haier LTF42M1C - Key Board

Haier LTF42M1C
83 pages
Print Icon
To Next Page IconTo Next Page
To Next Page IconTo Next Page
To Previous Page IconTo Previous Page
To Previous Page IconTo Previous Page
Loading...
64
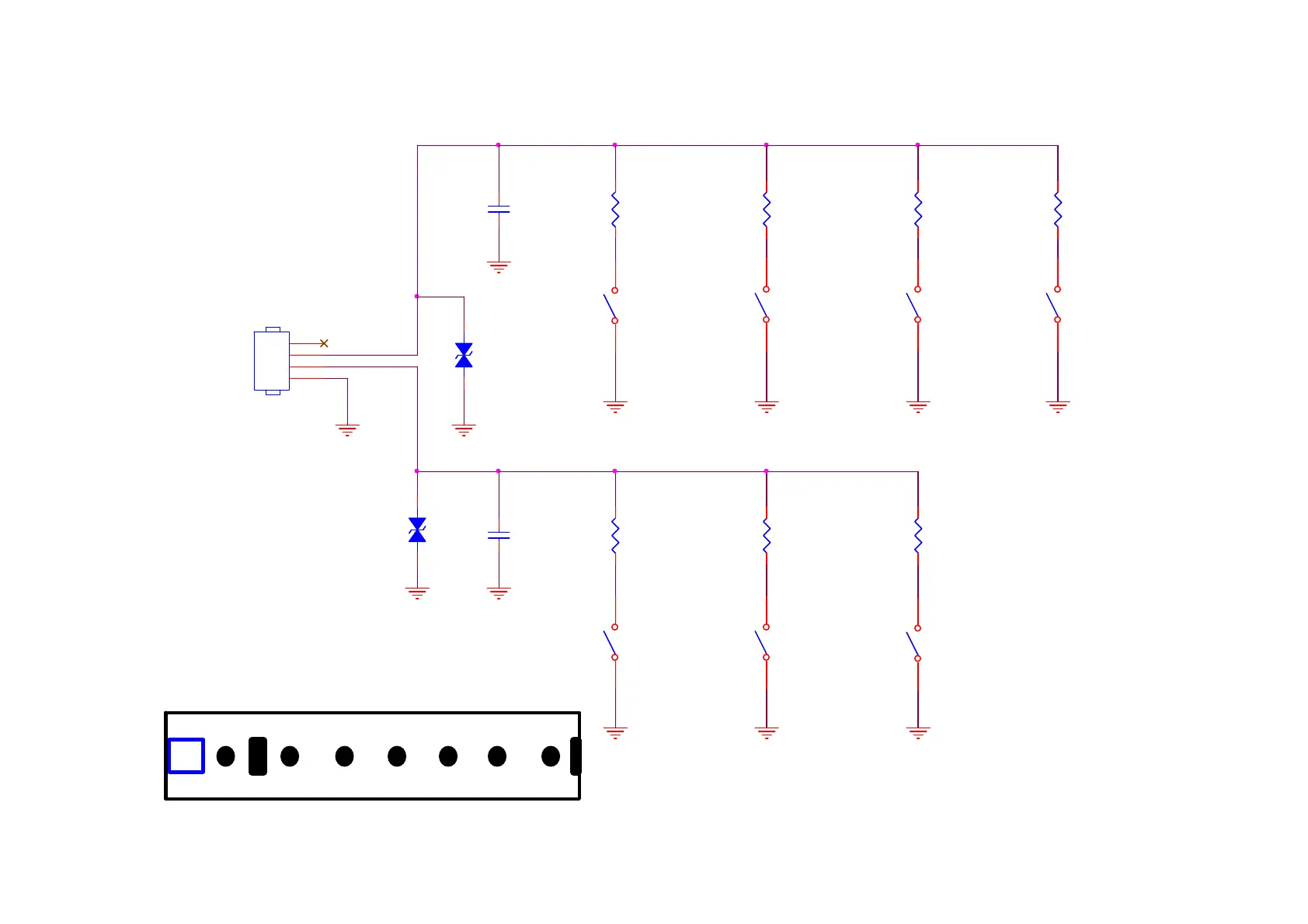
10.4 Key Board
715G3734K0B000001S
SW002
R001
11K 1/10W 1%
SW003
VOL-
POWER
Power INPUT
1.04V
ZD001
VPORT0603100KV05
1 2
SW003
SW
MENU
CN001
CONN
1
2
3
4
C002
0.1uF 25V
SW001
SW
0.35V
1.73V
1.73V
CH+
CN001
R003
1K8 1/10W 1%
R004
470R 1/10W 1%
SW005
SW005
SW
CH+VOL+
SW006
SW
VOL+
SW007
SW
KEY1
VOL-
SW007
MENU
R005
11K 1/10W 1%
C001
0.1uF 25V
R006
4K3 1/10W 1%
2.44V
SW001
2.44V
CH-
CH-
ZD002
VPORT0603100KV05
1 2
R002
4K3 1/10W 1%
1.04V
SW006 SW004
INPUT
SW004
SW
KEY2
R007
1K8 1/10W 1%
SW002
SW

Related product manuals