EasyManua.ls Logo

HANGCHA CBD20-AEC1 - Page 18

HANGCHA CBD20-AEC1
96 pages
Print Icon
To Next Page IconTo Next Page
To Next Page IconTo Next Page
To Previous Page IconTo Previous Page
To Previous Page IconTo Previous Page
Loading...
1111
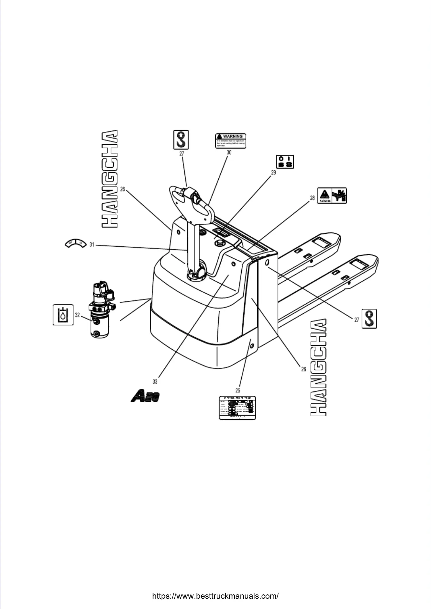
1.6 1.6 Product Product plates plates and and warning warning labels labels locationlocation
Plates and labels, such as nameplate, load curve plate, warning labels must be legible, if
Plates and labels, such as nameplate, load curve plate, warning labels must be legible, if
identification is unclear, and must be replaced.identification is unclear, and must be replaced.
The figure below shows The figure below shows the approximate location of the the approximate location of the various identity resides. Before operatingvarious identity resides. Before operating
the truck, the truck, please understaplease understand the meaning of nd the meaning of the various identities.the various identities.
VV
kWkW
mmmm
kgkg
kgkg
kgkg
kgkg
ELECTRIC PALLET TRUCKELECTRIC PALLET TRUCK
MODEL-TYPEMODEL-TYPE
SERIALNO.SER IALNO.
LOADCENTERLOADCENTER
BATTERY VOLTAGEBATTERY VOLTAGE
RATED DRIVE POWERRATED DRIVE POWER
YEAROF YEAROF MANUFACTMANUFACTUR EURE
RATED CAPACITYRATED CAPACITY
WEIGHT WEIGHT WITHOUTBAT TERWITHOUTBATTE RYY
MAX.ALLOWABLE MAX.ALLOWABLE BATTERYBATTERY WEIGHTWEIGHT
MIN.ALLOWABLE MIN.ALLOWABLE BATTERYBATTERY WEIGHTWEIGHT
Add: Lin'an Economic Development Zone,Zhejiang,China License No.TS2510002-2016Add: Lin'an Economic Development Zone,Zhejiang,China License No.TS2510002-2016
HANGCHA GROUP CO.,LTD.HANGCHA GROUP CO.,LTD.
WARNINGWARNING
https://www.besttruckmanuals.com/

Table of Contents

Related product manuals