EasyManua.ls Logo

HANGCHA CPQD18N-RW21 - Lubrication System Drawing

HANGCHA CPQD18N-RW21
108 pages
Print Icon
To Next Page IconTo Next Page
To Next Page IconTo Next Page
To Previous Page IconTo Previous Page
To Previous Page IconTo Previous Page
Loading...
48
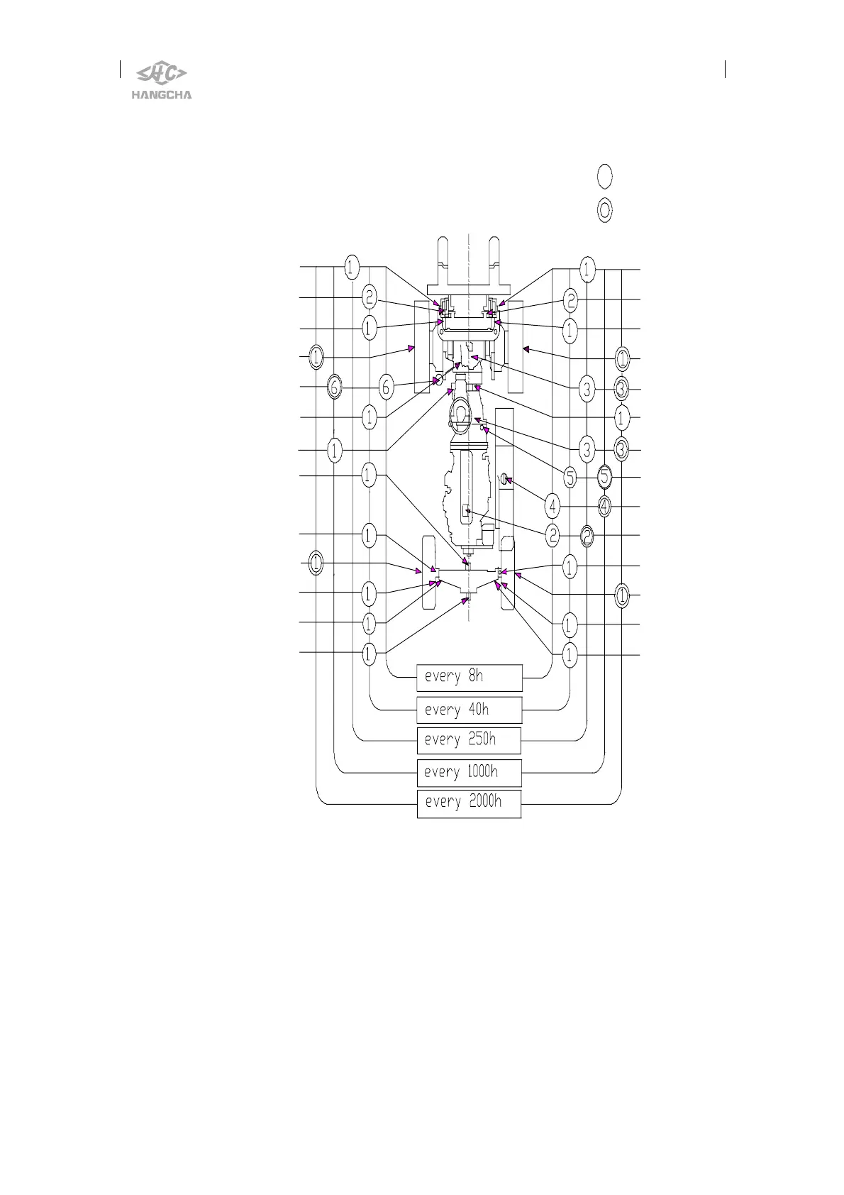
Lubrication system drawing
differential shell
transmission shaft
tilt cylinder axis pin
hydraulic gear-box(hydraulic)
hydraulic oil tank
engine crank shaft
steering wheel lock device
chain
brake oil cup
front-wheel drive bearing
mast seat bearing
front axis pin of tilt cylinder
steering axle support axis
steering cylinder pin
rear wheel bearing
steering link pin
main pin of steering knuckle
steering axle support axis
1.atuo general purpose lithium lubricating grease.
2.engine oil
3.gear oil
4.hydraulic oil
5.torque converter oil
6.brake fluid
fill
replace
clutch brake pedal(clutch type)
fine motioin brake pedal(hydraulic type)
mechanical gear-box (clutch)
front-wheel drive bearing
steering link pin
steering cylinder pin
rear wheel bearing
main pin of steering knuckle
chain
mast seat bearing

Table of Contents

Related product manuals