EasyManua.ls Logo

Hardy H6 - With Existing 24 Volt Transformer

Default Icon
46 pages
Print Icon
To Next Page IconTo Next Page
To Next Page IconTo Next Page
To Previous Page IconTo Previous Page
To Previous Page IconTo Previous Page
Loading...
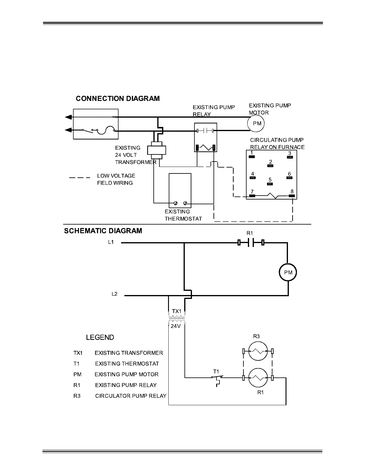
HARDY MANUFACTURING CO., INC (MODEL H3, H5, & H6) PAGE 20
Section IV 4-1 Connection to Hydronic System
with Existing 24 Volt Transformer (continued)

Related product manuals