EasyManua.ls Logo

Hardy H6 - Located at Hot Water Heater

Default Icon
46 pages
Print Icon
To Next Page IconTo Next Page
To Next Page IconTo Next Page
To Previous Page IconTo Previous Page
To Previous Page IconTo Previous Page
Loading...
HARDY MANUFACTURING CO., INC (MODEL H3, H5, & H6) PAGE 23
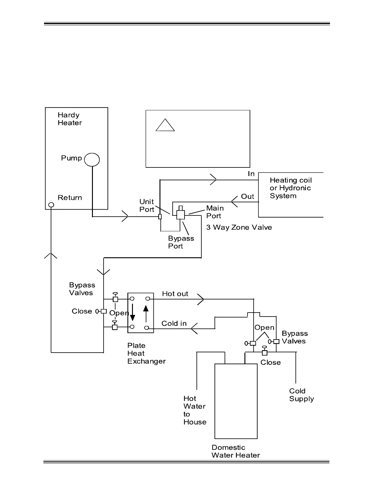
Section V 5-1 Option 1 – Plate Heat Exchanger for Domestic Hot Water
located at Hot Water Heater
3 WAY ZONE VALVE ALLOWS THE WATER TO FLOW FROM
THE BYPASS PORT TO THE MAIN PORT WHEN IT IS OFF.
WHEN THE VALVE IS ENERGIZED IT WILL DIVERT THE WATER
THROUGH THE HEATING SYSTEM TO THE UNIT PORT
AND OUT THE MAIN PORT
!
DANGER
WATER TEMPERATURE
OVER 125° CAN CAUSE
SEVER BURNS INSTANTLY

Related product manuals