EasyManua.ls Logo

Hardy H6 - Automatic Water Fill (Optional)

Default Icon
46 pages
Print Icon
To Next Page IconTo Next Page
To Next Page IconTo Next Page
To Previous Page IconTo Previous Page
To Previous Page IconTo Previous Page
Loading...
HARDY MANUFACTURING CO., INC (MODEL H3, H5, & H6) PAGE 25
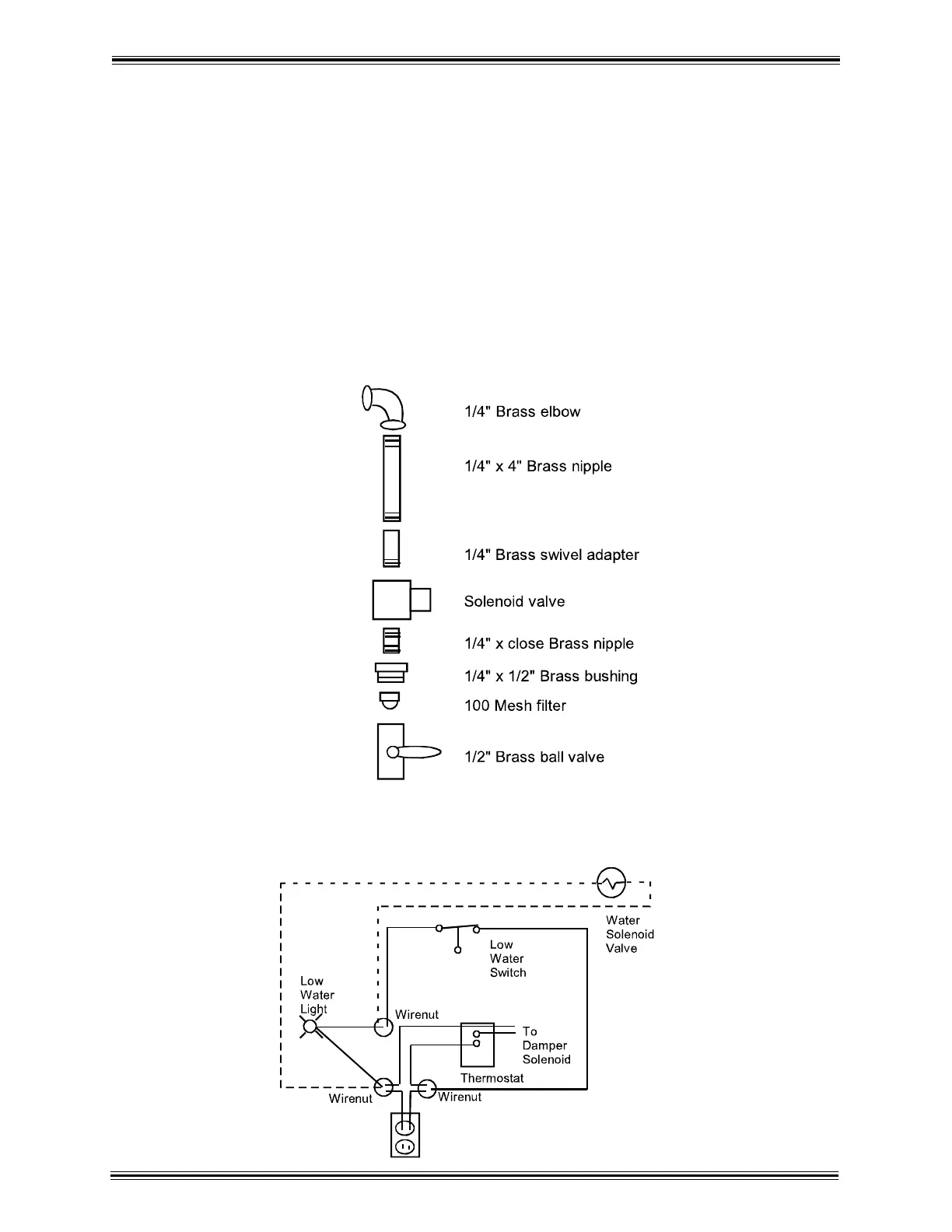
Section V 5-3 Automatic Water Fill (Optional)
When this option is ordered, an electric water solenoid valve and various fittings required is
installed on the rear of the heater. It will also require a cold water supply line run to the
heater.
The electric water valve is mounted on a 1/4” nipple in the upper right corner on the rear of
the heater.
This will leave 1/2” hookup. When hooking up your domestic water supply make sure a
cutoff valve is installed and flexible connections to remove the screen for annual cleaning.
See illustration below.

Related product manuals