EasyManua.ls Logo

Hardy H6 - Typical Diagram for Plumbing Hydronic System

Default Icon
46 pages
Print Icon
To Next Page IconTo Next Page
To Next Page IconTo Next Page
To Previous Page IconTo Previous Page
To Previous Page IconTo Previous Page
Loading...
HARDY MANUFACTURING CO., INC (MODEL H3, H5, & H6) PAGE 21
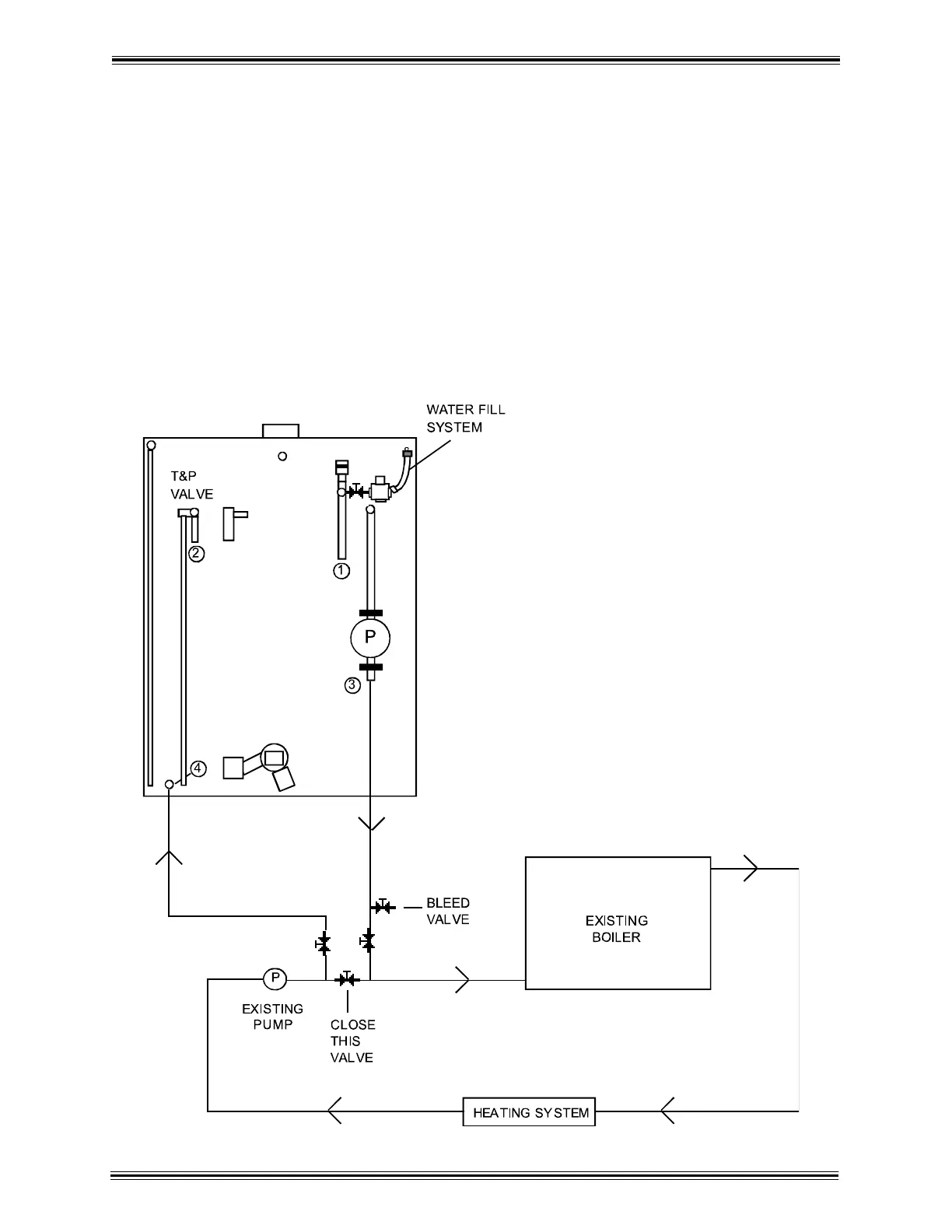
Section IV 4-2 Typical Diagram for Plumbing
Hydronic System
Water Pipes must be designed for hot water service (ex. copper, cpvc, or pex.) Pipes
should be installed in a 4” watertight pipe or some other type of insulating means to
prevent heat loss from heater to heating system. Use only copper, brass, or stainless steel
fittings. Do not use galvanized or black iron. Turn off the makeup water for the existing
system. Manual filling of the wood heater or the electric fill option will supply makeup water
for the wood heater and the existing hydronic. Close all automatic air vents on the existing
system.

Related product manuals