EasyManua.ls Logo

Harrison Hydra-Gen - Frequency Adjustment

Harrison Hydra-Gen
33 pages
Print Icon
To Next Page IconTo Next Page
To Next Page IconTo Next Page
To Previous Page IconTo Previous Page
To Previous Page IconTo Previous Page
Loading...
17
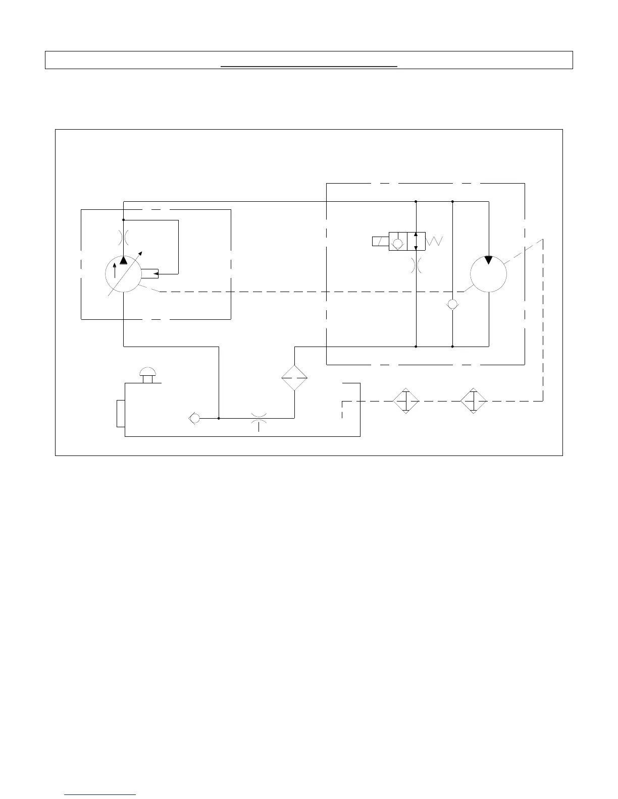
HYDRAULIC CIRCUIT DIAGRAM
COOLER
FILTER
CHECK
VALVE
MANIFOLD/MOTOR ASSEMBLY
PUMP ASSEMBLY
HYDRAULIC CIRCUIT
12 VDC
COOLER
Figure 11: Hydraulic Circuit Diagram

Table of Contents