EasyManua.ls Logo

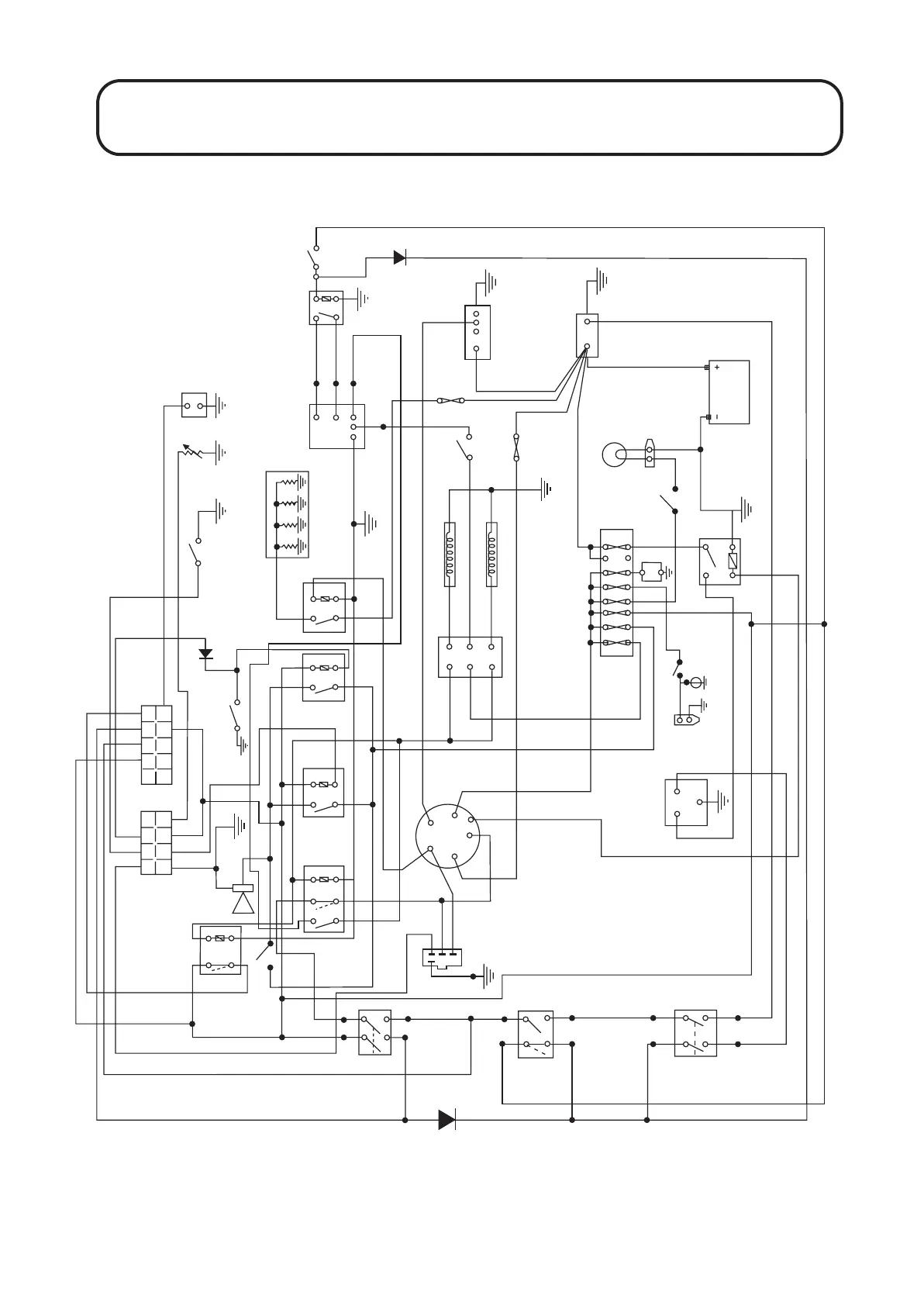
Hayter MT313 - ELECTRICAL CIRCUIT DIAGRAM

Hayter MT313
76 pages
Print Icon
To Next Page IconTo Next Page
To Next Page IconTo Next Page
To Previous Page IconTo Previous Page
To Previous Page IconTo Previous Page
Loading...
995901PM140404A
ELECTRICAL CIRCUIT DIAGRAM
1.70
1.70
Y
B/G
Y
43
B/R
Y
Y
BL
R
PU/G
W/BL
W/BL
Y/BL
42
Y
BL
31
BL BU
B
Y/BL
Y/BL
BL
33
R
W/BL
Y/BL
W/BU
37
Y/BL
Y/BL
W/R
35
39
PU/G
PU/G
BL
36
4
5
3
6
B
Y
Y
W/R
W/BU
Y
BU/R
47
46
BL
PU/R
P
PU
BL
R/0
BL
G/Y
BU/Y
13
14
15
27
16
12
R
28
34
BL
48
0
BL
R
BL
49
B
49
BU/R
B
44/03
BL
24
19
20
23
21
1
2
3
6
5
4
BU/BL
BU
BU/G
B/R
P/U
B/R
B
11
W/BU
10
B
9
IG
26
B/BL
Y
Y/BL
44
BL
PU/Y
8
38
PU/Y
G
G
G
R
R
BU
B/R
BL
S
5
30
86
87
35
30
86
87
85
4
30
86
87
85
3
2
0
7
2
4
8
1
BL
B/R
30
19
39
30
17
15/27
50A
R
W
B/W
W
W
R
W/BU
32
P
Y
B/R
Y
1
87a
85
30
86
BL
1
2
3
4
5
6
7
8
J1
J2
1
2
3
4
5
6
7
8
9
10
45
BU/R
G/W
W/PU
B/R
25
BU/R
Y
29
P
B/W
R
PU/BL
R/Y
17
G/R
G/BL
41
40
6
7
D/G
W/BL
G/W
Y
BL
BL R
R
BL
BL
R
18
22
BL
BL

Table of Contents

Related product manuals