EasyManua.ls Logo

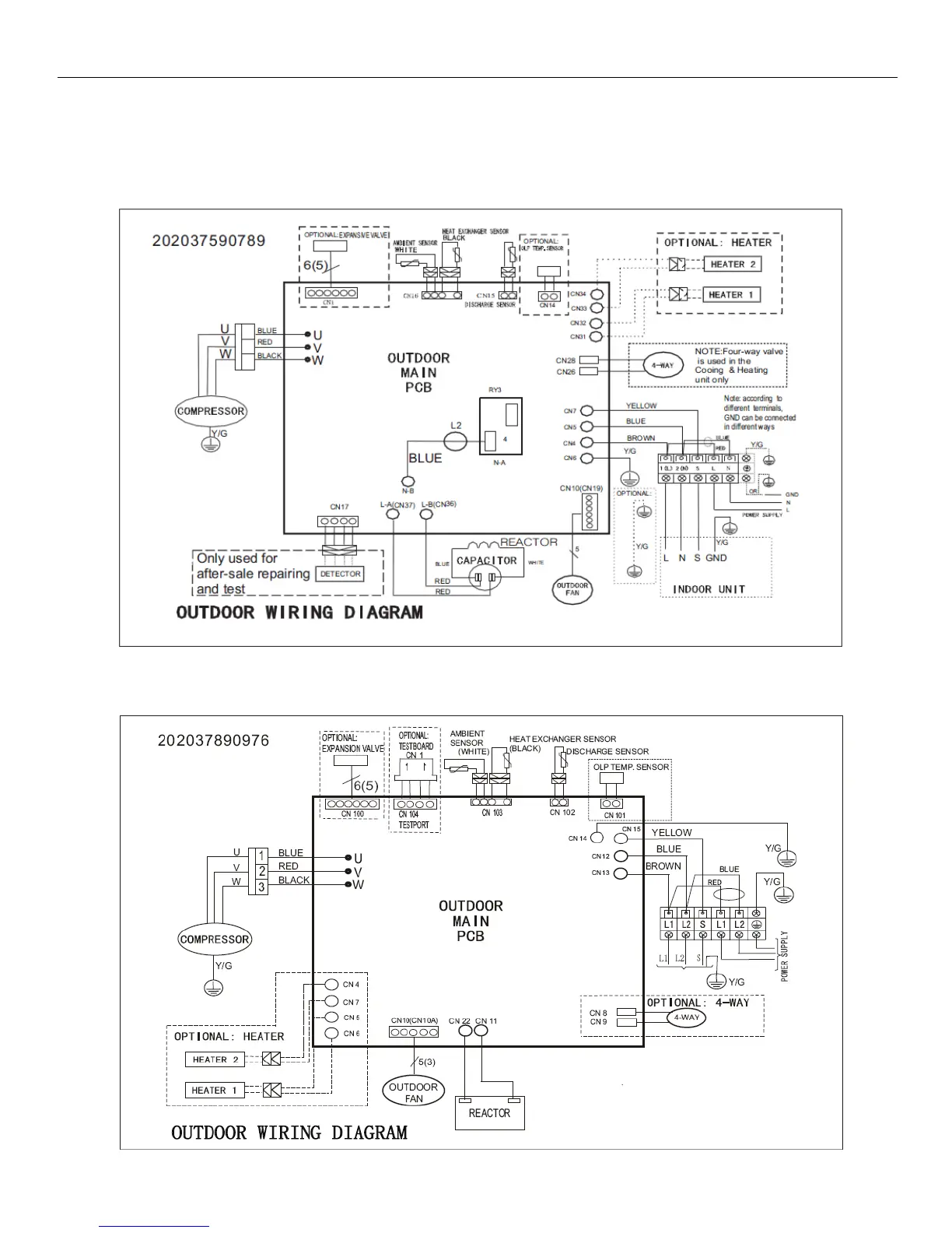
Heat Controller A-DVH12SD-0 - 5.2 Outdoor Unit Wiring Diagrams

Heat Controller A-DVH12SD-0
52 pages
Print Icon
To Next Page IconTo Next Page
To Next Page IconTo Next Page
To Previous Page IconTo Previous Page
To Previous Page IconTo Previous Page
Loading...
15
Heat Controller DVC/DVH Inverter Mini-Split
13
5.2 Outdoor Units
A-DVC09SD-0, A-DVH09SD-0, A-DVC12SD-0, A-DVH12SD-0
A-DVC18SD-1, A-DVH18SD-1

Related product manuals