EasyManua.ls Logo

HELI CPCD140 - Page 39

HELI CPCD140
61 pages
Print Icon
To Next Page IconTo Next Page
To Next Page IconTo Next Page
To Previous Page IconTo Previous Page
To Previous Page IconTo Previous Page
Loading...
38
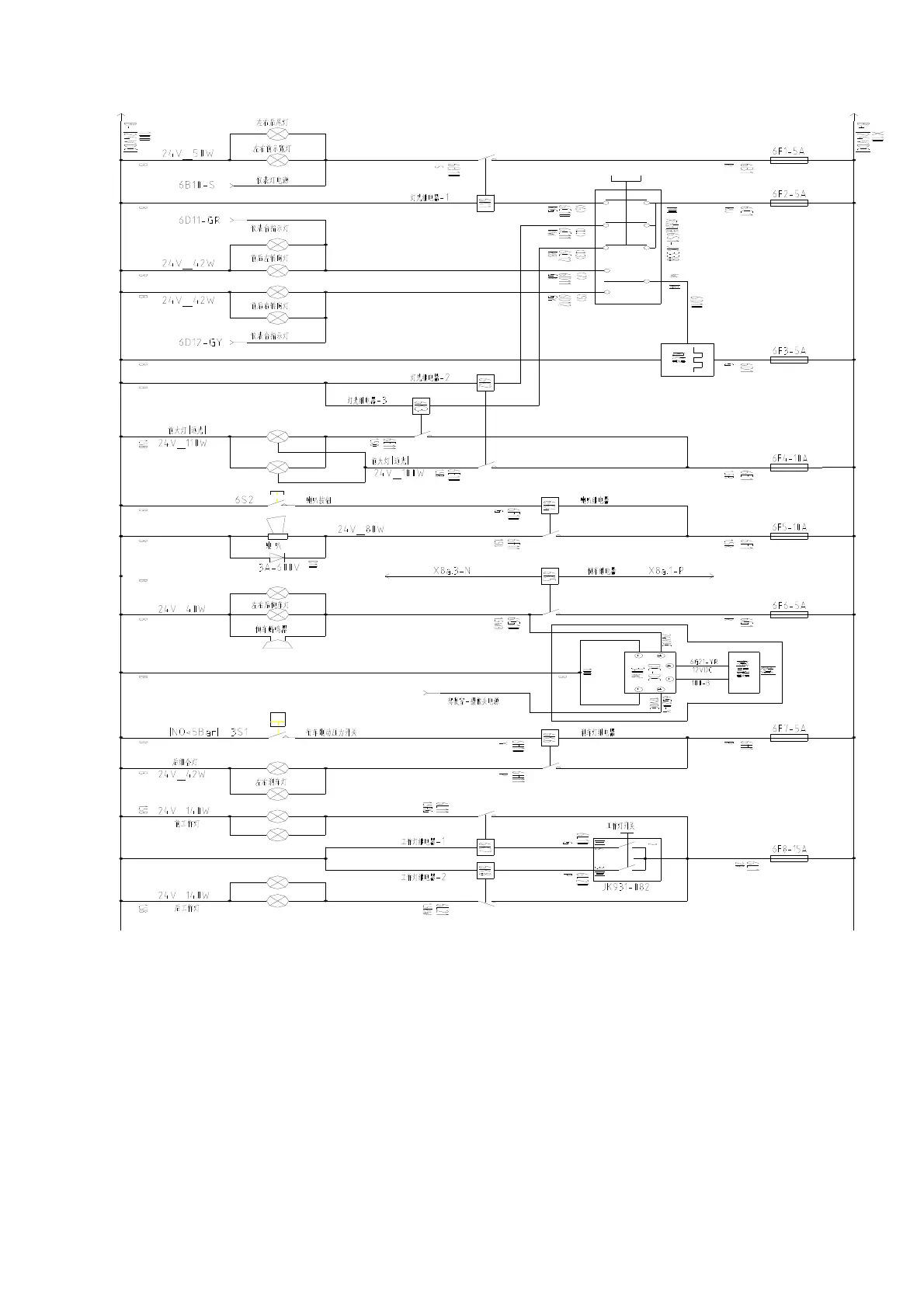
Fig.7-4 Electric Principle Drawing of Lighting and Signal Instruments

Related product manuals