EasyManua.ls Logo

Higen FDA7004B - 3.12. Alarm Display Setting[ALS-]

Default Icon
147 pages
Print Icon
To Next Page IconTo Next Page
To Next Page IconTo Next Page
To Previous Page IconTo Previous Page
To Previous Page IconTo Previous Page
Loading...
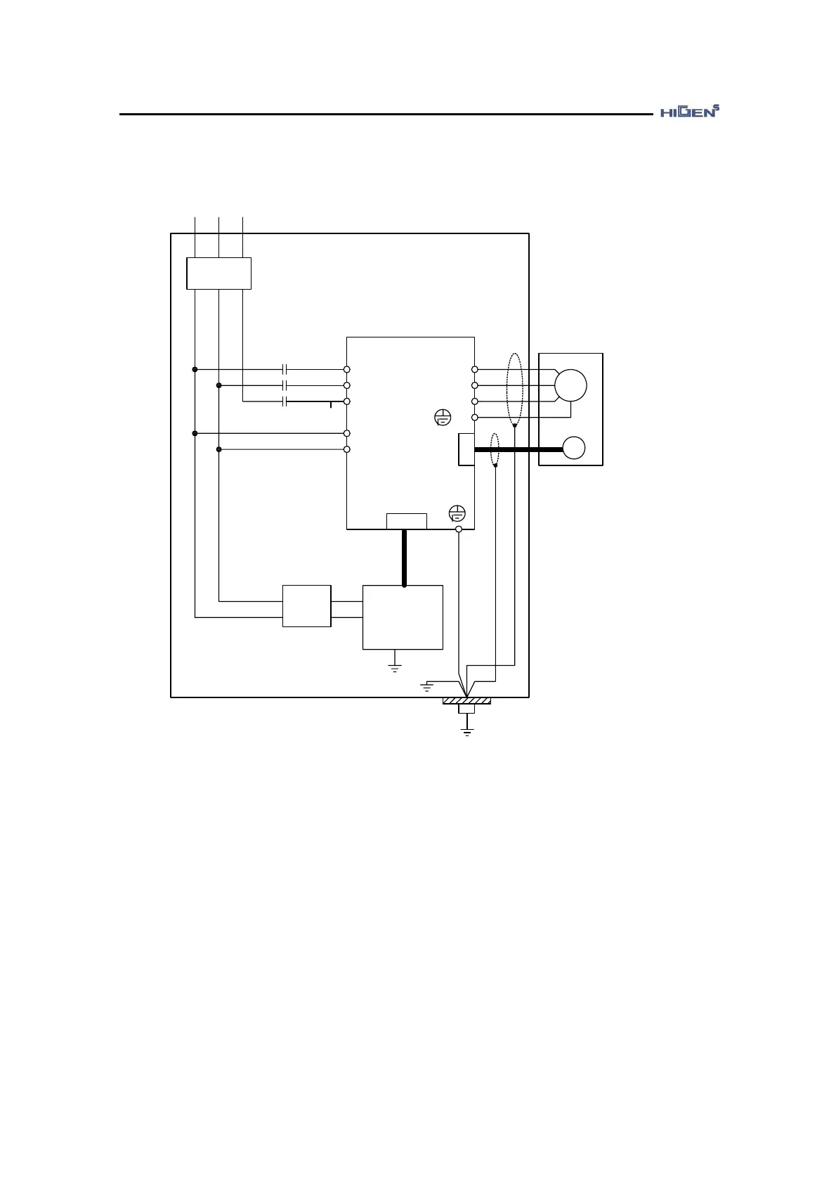
Appendix Noise control
-2
Example of wiring connected with ground connection
Noise
Filter1
R
S
T
r
t
MC
M
U
V
W
FG
PG
C
N
2
Servo Drive
FDA7000
CN1
I/O signal
processing
circuit
(ex. PLC)
(Ext. GND)
AC 200~230[V]
FG
(Earth GND) Class-3 ground (100Ω max.)
(Ext. GND)
Ground Plate
Noise
Filter2
- Use the thick wire with a thickness at least 3.5[] for ground to the casing.

Other manuals for Higen FDA7004B

Related product manuals