EasyManua.ls Logo

Higen FDA7010 - Connection of AC380 V Series

Default Icon
214 pages
Print Icon
To Next Page IconTo Next Page
To Next Page IconTo Next Page
To Previous Page IconTo Previous Page
To Previous Page IconTo Previous Page
Loading...
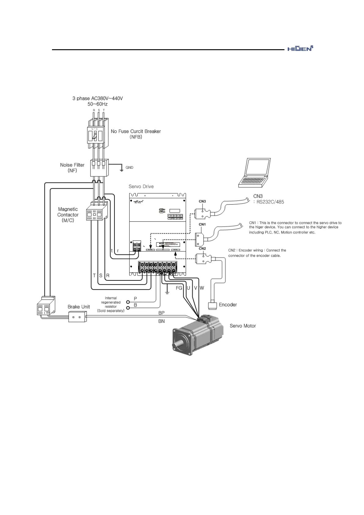
2. Wiring and connection
2-4
2.1.2. Connection of AC380V Series
Use within the power specification allowed by the servo. If the power voltage is higher
than the allowable value, be sure to use a power transformer.
FDA7000-H0 : AC 380V, FDA7000-H1 : AC 440V
Use the brake power supply independently. When used with input / output contact input
power, it causes malfunction of contact operation.
To prevent electric shock and suppress noise, ground the motor and drive terminals
with the 3rd or more types of ground at the shortest distance.

Table of Contents

Other manuals for Higen FDA7010

Related product manuals