EasyManua.ls Logo

Higen FDA7045 - CN1 I;O Wiring

Default Icon
214 pages
Print Icon
To Next Page IconTo Next Page
To Next Page IconTo Next Page
To Previous Page IconTo Previous Page
To Previous Page IconTo Previous Page
Loading...
2. Wiring and connection
2-19
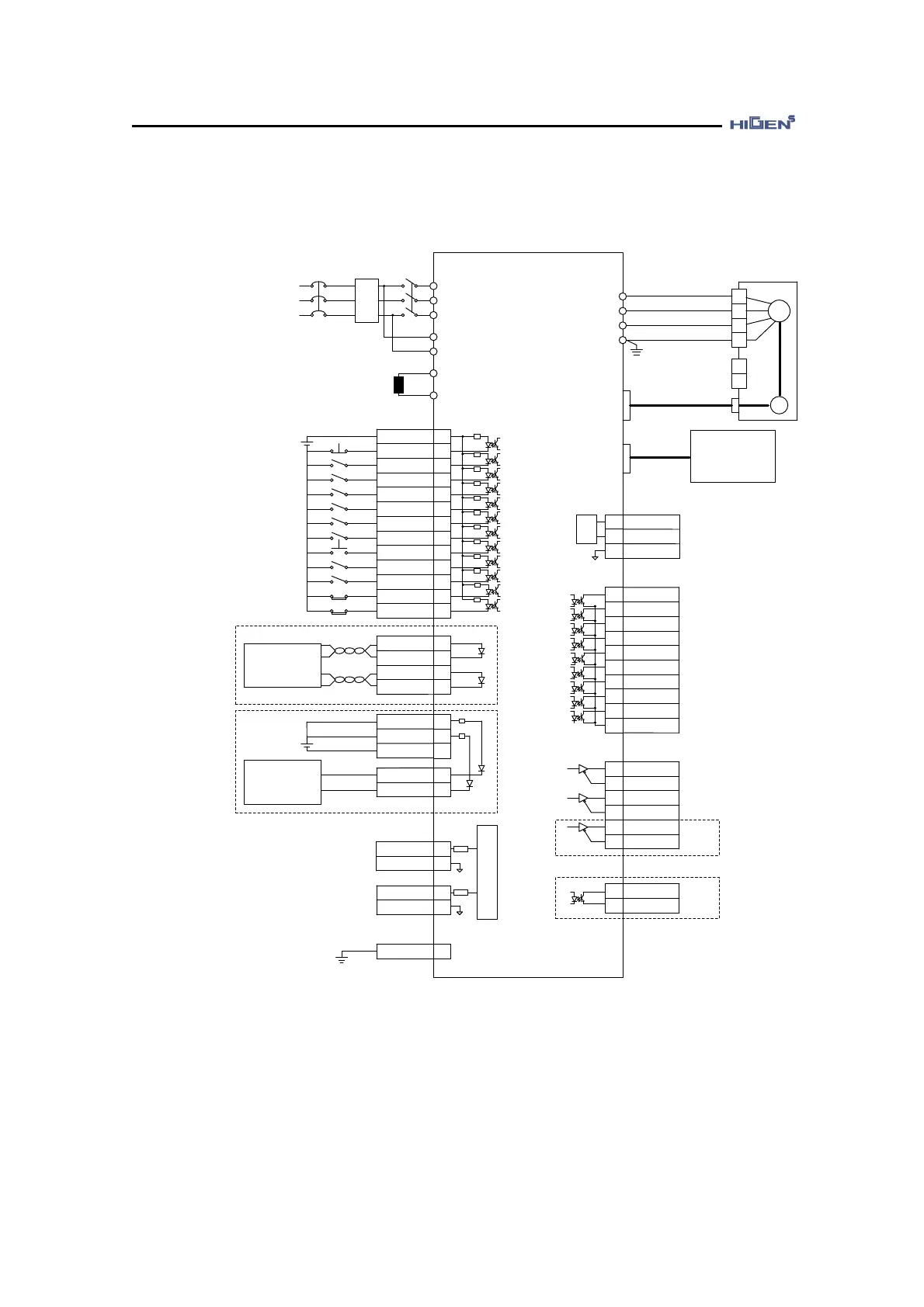
2.5.2. CN1 I/O wiring
Servo Drive
FDA7000
R
S
T
r
t
P
B
CN1
(INPUT)
49
39
43
17
42
16
13
18
38
14
41
40
15
10
12
3.3K
+
-
+24V
U
V
W
FG
S
M
+
-
Brake
Power
Input
U
V
W
FG
PG
CN2
CN3
3
2
22
48
21
47
46
20
45
19
44
7
32
6
31
5
30
CN1
(OUTPUT)
D/A
NF
FDA7000 Series : AC 200~230[V]
FDA7000-H Series : AC 380~440[V]
50/60Hz
NFB MC1
Regenerative
resistance
*Digital Loader
*PC Loader(RS232C)
*Network communication
(RS485, RS232C)
(Note1)
(Note2)
50
(Note4)
(Note3)
MPG
or
PLC Position controller
3.3K
3.3K
3.3K
3.3K
3.3K
3.3K
3.3K
3.3K
3.3K
3.3K
3.3K
29
4
++24V
11
10
9
12
MPG
or
PLC Position controller
(Note6)
(Note5)
23
(Note7)
(Note8)
24
25
24
25
8
26
24
25
+24V
ESTOP
SPD1/GEAR1
SPD2/GEAR2
SPD3
DIR
STOP
SVONEN
ALMRST
SPDLIM/TLIM
PI/P
CWLIM/
NTQLIM
CCWLIM/
PTQLIM
PPFIN
PFIN
PPRIN
PRIN
OPCFIN
OPCRIN
+24V GND
PFIN
PRIN
FG
MONIT1
MONIT2
GND
INSPD/INPOS
/INTRQ
BRAKE
RDY
ZSPD
SPDOUT/
TRQOUT
ALARM
A_CODE0
A_CODE1
A_CODE2
GND24
PAO
/PAO
PBO
/PBO
PZO
/PZO
OPC_ZO
GND24
27
28
A/D
LPF
LPF
1
33
34
36
SPDIN
GND
TRQIN
GND
(Note1) A noise filter (NF) must be installed to block noise from the outside and to protect the
servo drive peripherals.
(Note2) In case of FDA7001~7002, it is not necessary to connect power to the power terminals
"r, t" of the control circuit. In case of FDA7004~7150, connect AC220V to power terminal
“r, t” of control circuit. In case of FDA7004, connect AC220V to power terminal “r, t” of
control circuit according to model. Be sure to check the power specification of the model.

Table of Contents

Other manuals for Higen FDA7045

Related product manuals