EasyManua.ls Logo

Hioki 3151 - Measurement Principle

Hioki 3151
54 pages
Print Icon
To Next Page IconTo Next Page
To Next Page IconTo Next Page
To Previous Page IconTo Previous Page
To Previous Page IconTo Previous Page
Loading...
13
―――――――――――――――――――――――――――
Chapter 3 Technical Information
――――――――――――――――――――――――
R
s
S
Galvanometer
P
(
S
)
E
C
(
H
)
R
c
R
x
R
p
I
C.T.
1:n
Oscillator
Synchronous
rectifier
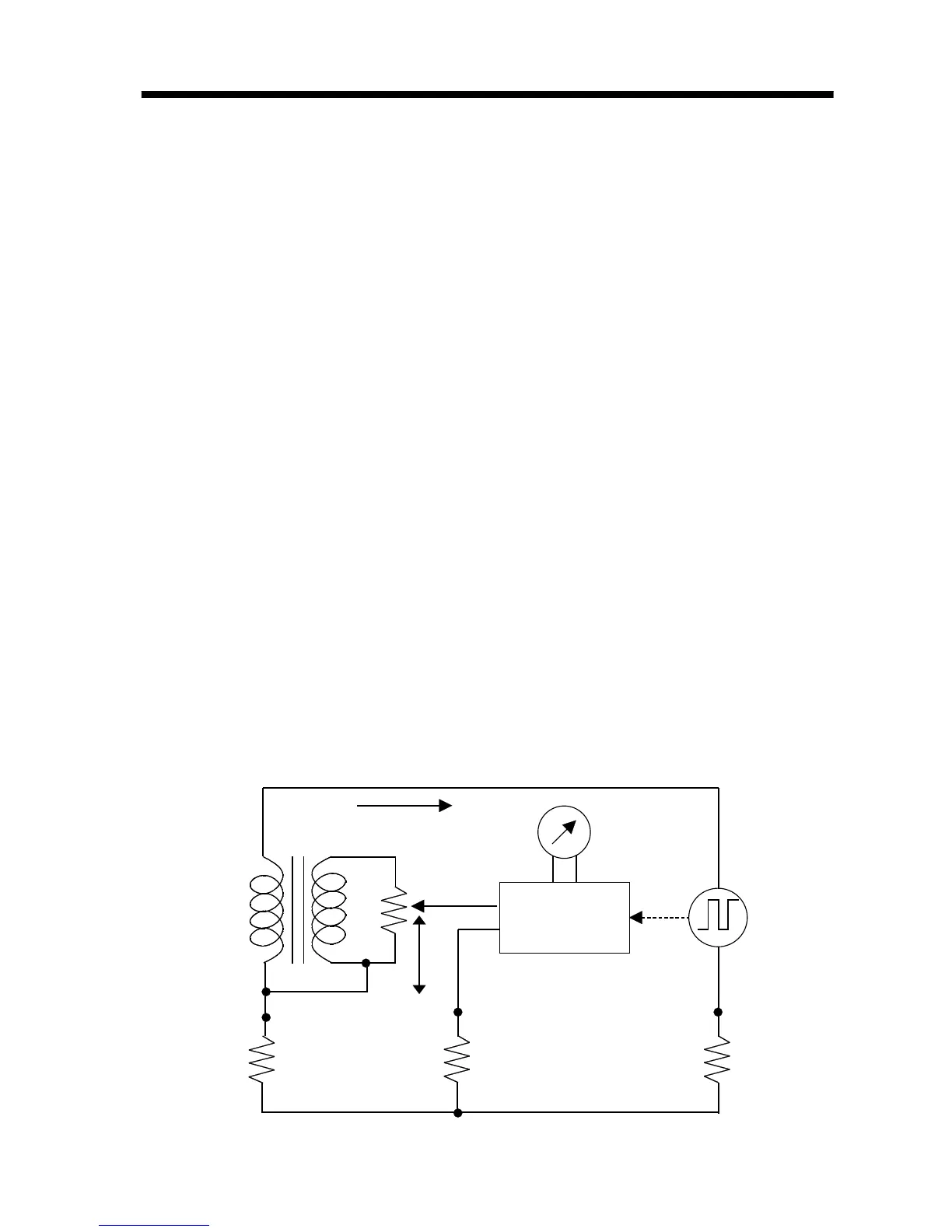
Figure 1 Measurement Principle (3-pole method)
3.2 Measurement Principle
(1) Normal measurement (3-pole method)
Figure 1 shows the basic circuit principle for
earthing resistance measurement. The
measuring current I, driven by the oscillating
voltage of the oscillator, flows through the loop
formed as follows: oscillator
Rc
Rx
C.T.
If the galvanometer is balanced, the voltage
between the measurement terminals
E-P(S)is
taken as Ex, and the resistance between the
measurement terminal
E and the slider S of the
variable resistor is taken as Rs. The voltage
drop at the variable resistor is Es.
The following equations then apply:
Ex =
IR
x, Es =
IR
s/n (n: C.T. winding ratio)
Ex = Es, therefore
R
x=
R
s/n
If the dial connected directly to the sliding
resistor has a scale of 1/n for Rs, the dial reading
corresponds to the earthing resistance Rx.

Related product manuals