EasyManua.ls Logo

Hitachi 32LD8D20E - Schematic Diagrams

Hitachi 32LD8D20E
77 pages
Print Icon
To Next Page IconTo Next Page
To Next Page IconTo Next Page
To Previous Page IconTo Previous Page
To Previous Page IconTo Previous Page
Loading...
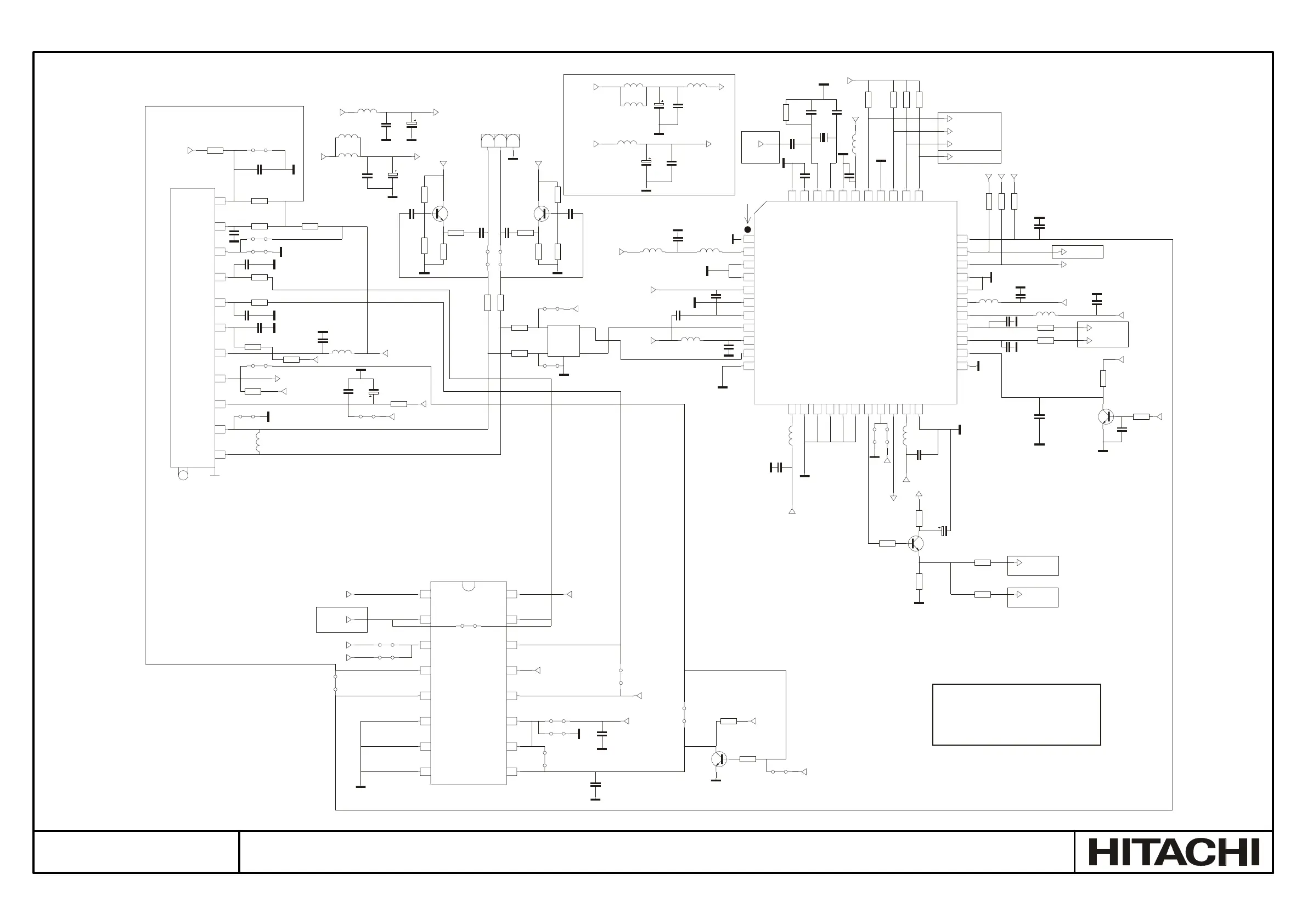
17MB22-2
MAIN BOARD CIRCUIT - SHEET 1
74HCT4053
IC101
1 2Y1
2 2Y0
3 3Y1
43Z
5 3Y0
6
7 VEE
8 GND 9S3
10S2
11S1
121Y0
131Y1
141Z
152Z
16VCC
TECH2949PG40B
TU100
1AGC
2TU
3AS
4SCL
5SDA
6NC
7VS
8NC/ADC
9VST
10IF2
11IF1
X6966M
Z100
IN11
IN22
GND
3
OUT1 4
OUT2 5
VCC_33V
1u
L100
S103
16V
1u
C104
50V
39p
C103
50V
39p
C102
S102
16V
100n
C132
16V
100n
C126
16V
100n
C116
16V
100n
C121
16V
100n
C119
16V
100n
C120
10V
100n
C118
5V_DRX
5V_DRX
5V_DRX
VCC_5V
50V
47u
C115
5V_DRX
DRX3960A
IC100
12
AVDD_SYN
13
AVSS_SYN
14
SHIELD
15
TEST0
16
TEST1
17
TEST2
18
CVBS
19
REF_SW
20
SIF
21
AVDD_DAC
22
AVSS_DAC
23
TEST_EN
24
RESETQ
25
SDA
26
SCL
27
DVDD_CAP
28
DVDD
29
DVSS
30
DVSS_CAP
31
PORT0
32
PORT1
33
TUNER_AGC
34
PORT2
35
PORT3
36
PORT4
37
ADR_SEL
38
PORT5
39
DVDD_ADC
40
DVSS_ADC
41
XTALIN
42
XTALOUT
43
VREF
44
SGND
1 AVSS_ADC
2 AVDD_ADC
3 ANATSTX
4 ANATSTY
5 AVDD_FE8
6 AVSS_FE8
7 AVSS_FE401
8 IFINX
9 AVDD_FE40
10 IFINY
11 AVSS_FE402
5V_DRX
5V_DRX
QSS
SCL_3V3_IC
SDA_3V3_IC
3V3_DRX
50V
47u
C114
10V
100n
C117
VCC_3V3
3V3_DRX
3V3_DRX
20.25MHz
X100
27p
C124
50V
27p
C123
50V
33n
C130
6k2
R118
5V
_DR
X
5V_TUNER
SDA_DVB
SDA_5V_IC
SCL_DVB
SCL_5V_IC
AGC_DVB
S106
S108
S109
S105
S104
3V3_DRX
25V
33p
C127
S107
1k
R107
PL100
1
2
3
16V
100n
C122
100n
C108
16V
10V
100n
C110
50V
47u
C111
VCC_5V
5V_TUNER
YPBPR_MUX_SW
AUDIO_MUX_SW
SYNC_SW1
SYNC_SW2
3V3_DRX
6k2
R111
6k2
R112
6k2
R110
6k2
R116
6k2
R108
VGA_MUX_SW
BC848B
Q101
RESET_IC
1k
R121
470R
R122
3V3_DRX
16V
100n
C131
25V
33p
C128
10V
100n
C112
10V
100n
C113
3V3_DRX
5V_TUNER
50V
47u
C109
16V
100n
C133
S101
5k1
R106
1k
R113
BC848B
Q100
75R
R114
VCC_8V_VIDEO
TUNER_CVBS_IN
TUNER_CVBS_SW
4k7
R101
5V_TUNER
5k1
R102
5k1
R103
25V
10n
C100
L107
10u
L105
L106
L110
L111
L109
16V
100n
C129
10u
L104
10u
L103
10u
L102
10u
L108
16V
100n
C107
16V
100n
C125
3k3
R100
S100
75R
R115
6k2
R117
3V
3_DR
X
5V_TUNER
100R
R120
100R
R104
100R
R105
100R
R109
100R
R119
SW_ENABLE2
DRX_CLK
50V
1n
C134
50V
10n
C101
150R
R123
150R
R124
150R
R125
150R
R126
50V
1n
C135
50V
1n
C136
50V
1n
C137
50V
1n
C138
47k
R127
47k
R128
47k
R129
47k
R130
470R
R131
470R
R132
Q102
Q103
12V_IF
12V_IF
BC848B
Q104
1k
R133
4k7
R134
5V_TUNER
S110
S111
S112
BLM21A601S
L101
VCC_12V
25V
100n
C139
25V
100u
C140
12V_IF
47R
R135
47R
R136
S113
S114
SYNC_SW2
S115
S116
3V3_DRX
600R_100MHZ_200mA
L113
16V
100n
C141
330R_100MHZ_3A
L114
16V
10u
C142
47R
R137
1k2
R138
10u
L112
10u
L116
10u
L117
3k3
R139
5V_TUNER
5k1
R140
IF_AGC
AN_IF
S117
AN_IF
S118
IF_AGC
S119
S120
S121
IF_AGC
DIGITAL IF CONNECTOR
SHEET 8
SHEET 8
SHEET 3
SHEET 3
SHEET3
SHEET3
SHEET 3,5,6
SHEET3
DRX POWER SUPPLY
AGC_TV
TV/DVB_SWITCH
PTC RES
N.C.
N.C.
SHEET3 VCTP PIN80
SHORT
N.C.
BF799
BF799
PTC RES
1U F 16 V
1U F 16 V
E
TUNER/DRX
DEMODULATOR
18. SCHEMATIC DIAGRAMS

Related product manuals