EasyManua.ls Logo

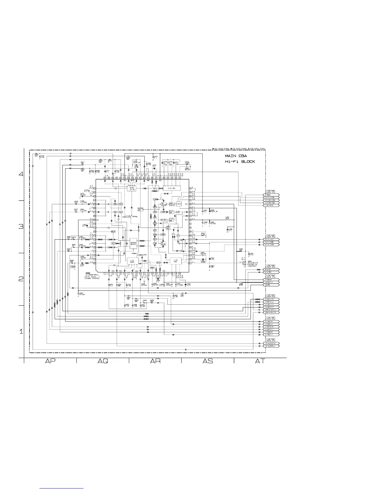
Hitachi DV-PF7E - S-11 Main 8;9 Schematic Diagram

Hitachi DV-PF7E
123 pages
Print Icon
To Next Page IconTo Next Page
To Next Page IconTo Next Page
To Previous Page IconTo Previous Page
To Previous Page IconTo Previous Page
Loading...
S-12
S-11 Main 8/9 Schematic Diagram

Table of Contents

Related product manuals