EasyManua.ls Logo

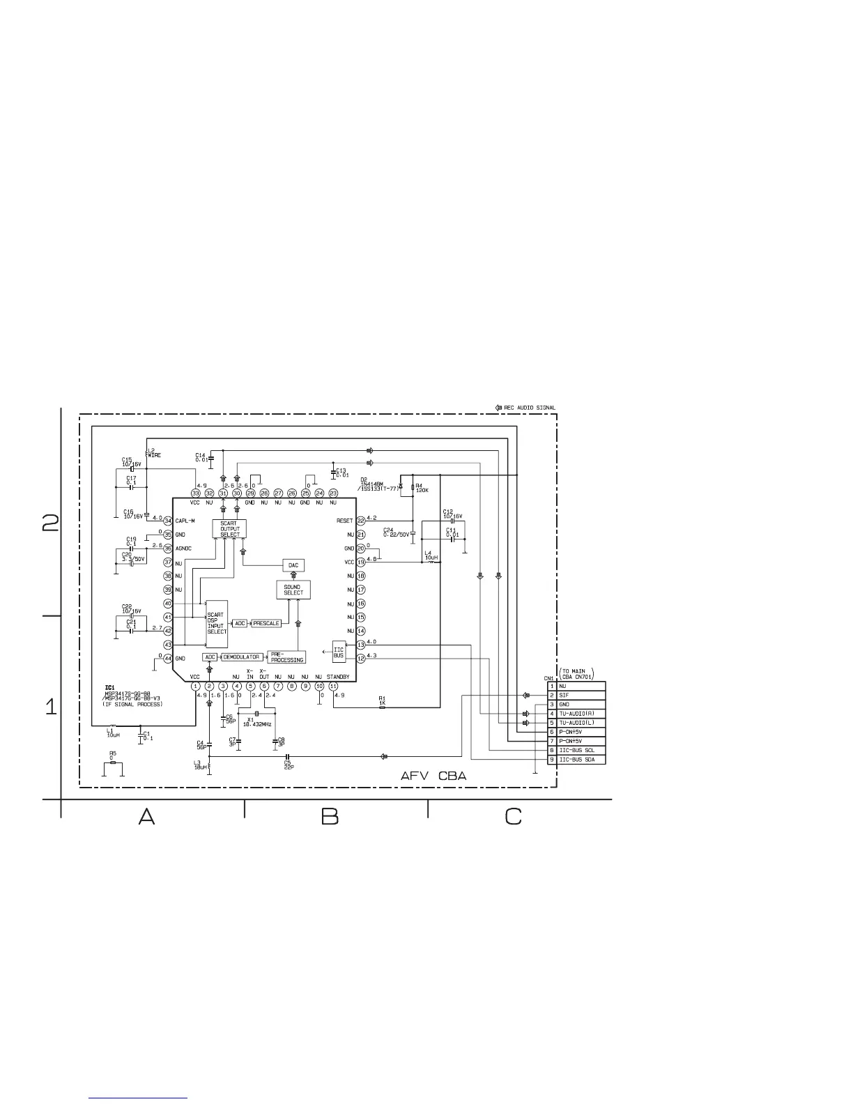
Hitachi DV-PF7E - S-15 AFV Schematic Diagram

Hitachi DV-PF7E
123 pages
Print Icon
To Next Page IconTo Next Page
To Next Page IconTo Next Page
To Previous Page IconTo Previous Page
To Previous Page IconTo Previous Page
Loading...
S-16
S-15 AFV Schematic Diagram

Table of Contents

Related product manuals