EasyManua.ls Logo

HITEC X2 Ultima - Page 11

HITEC X2 Ultima
32 pages
Print Icon
To Next Page IconTo Next Page
To Next Page IconTo Next Page
To Previous Page IconTo Previous Page
To Previous Page IconTo Previous Page
Loading...
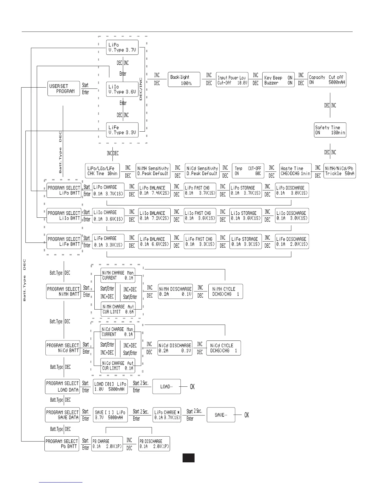
PROGRAM FLOW CHART
10

Related product manuals