EasyManua.ls Logo

Hologic DISCOVERY Wi - Page 13

Hologic DISCOVERY Wi
274 pages
Print Icon
To Next Page IconTo Next Page
To Next Page IconTo Next Page
To Previous Page IconTo Previous Page
To Previous Page IconTo Previous Page
Loading...
Discovery QDR Series Technical Manual
1-5
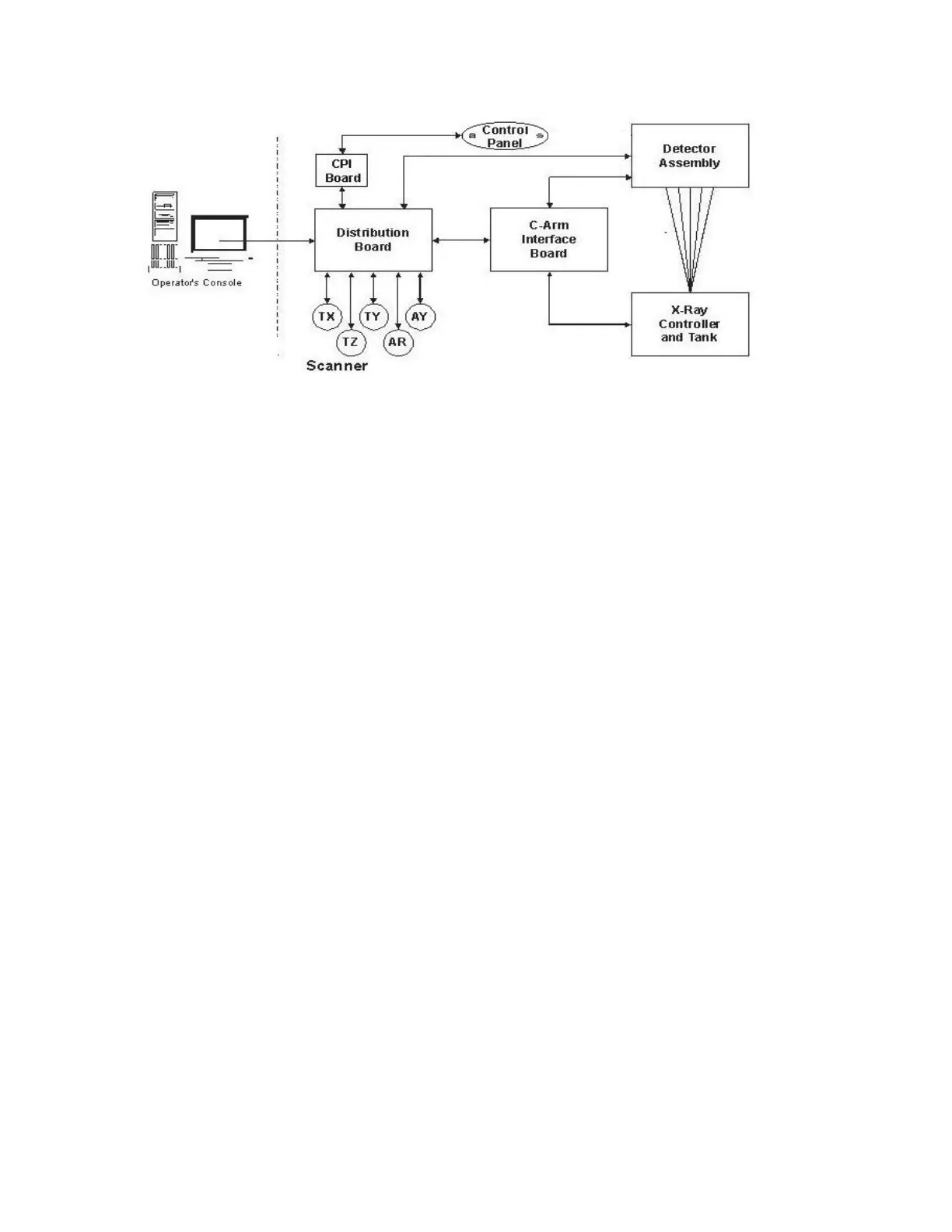
Figure 1-4. Discovery System Block Diagram
The Hologic Discovery consists of essentially three conceptual subsystems. These
subsystems are the Operators Console, Motor Control Subsystem, and C-Arm
Subsystem.
The Operators Console is the input/output subsystem of the instrument and consists of a
PC running the Discovery system software under Windows XP
®
and the PCI
Communications Controller Board manufactured by Hologic. The software communicates
with the scanner sending out arm and table motion commands, X-Ray commands, and X-
ray detection commands. The software also checks to see that commands have been
completed and issues an appropriate error message when a command fails.
The Motor Control subsystem of the scanner is controlled by the Distribution Board. All
motor movement commands are routed through the Distribution Board to the individual
Motor Drivers. There is one Motor Driver for each motor: Arm Y direction (AY), Table X
direction (TX), Table Y direction (TY) (A and W models only), and Arm Rotation (AR)(A
and SL models only). The Distribution Board also distributes the DC power throughout
the scanner. Circuit breakers for each Motor Driver can be found on the Distribution
Board.
The C-Arm subsystem controls the generation and detection of X-rays. It processes the
commands received from the Distribution Board and passes them to the X-Ray Controller
or the Detector Assembly. The X-Ray Controller, as its name implies, controls the
generation of the X-Rays by the X-Ray Source or “Tank”. The X-Rays pass through the
patient and are sensed by the Detector Assembly.

Table of Contents

Related product manuals