EasyManua.ls Logo

Honda BF45A - Page 308

Honda BF45A
431 pages
Print Icon
To Next Page IconTo Next Page
To Next Page IconTo Next Page
To Previous Page IconTo Previous Page
To Previous Page IconTo Previous Page
Loading...
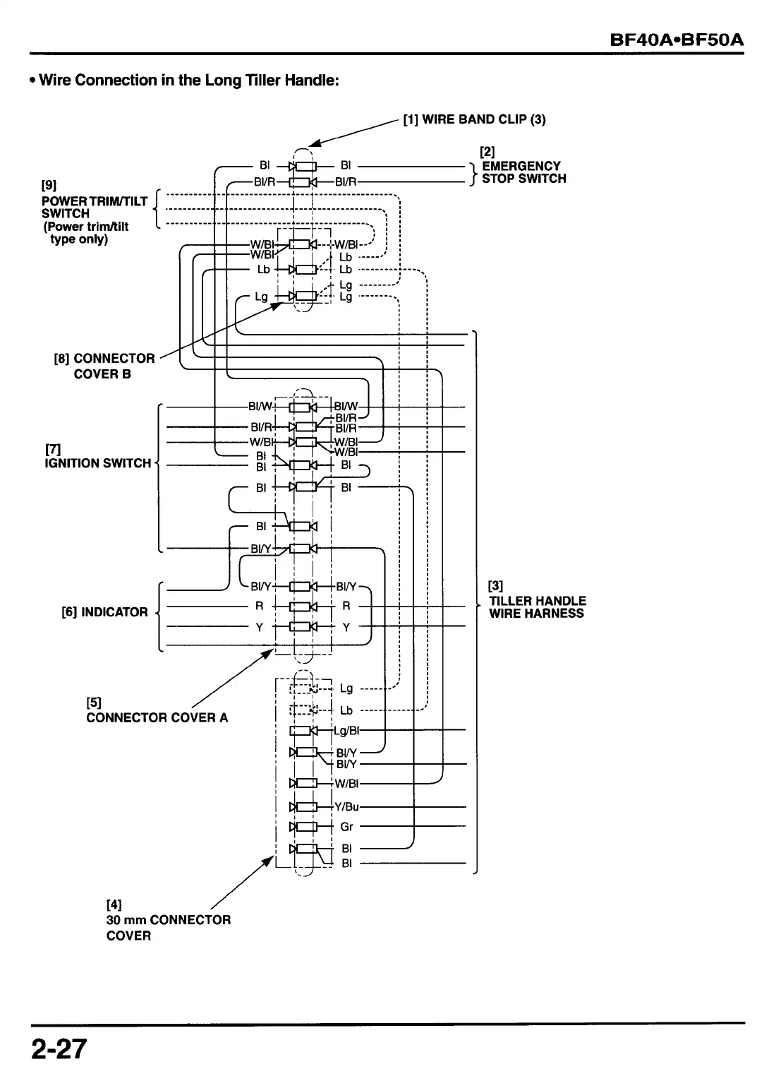
Wire Connection in the Long Tiller Handle:
[l]
WIRE BAND CLIP
(3)
EMERGENCY
STOP SWITCH
r'\
--
COVER
B
[A
IGNITION SWITCH
/L!7
IiII
141
30
mm
CONNECTOR
COVER
131
TILLER HANDLE
WIRE HARNESS
2-27

Other manuals for Honda BF45A

Related product manuals