EasyManua.ls Logo

Honda BF45A - Page 72

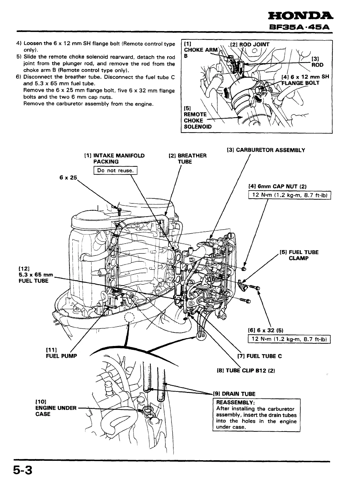
Honda BF45A
431 pages
Print Icon
To Next Page IconTo Next Page
To Next Page IconTo Next Page
To Previous Page IconTo Previous Page
To Previous Page IconTo Previous Page
Loading...

Other manuals for Honda BF45A

Related product manuals