EasyManua.ls Logo

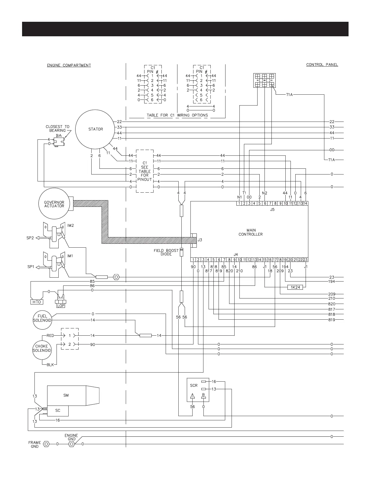
Honeywell Generator - Electrical Data; Engine Compartment Wiring; Stator Connections; Governor Actuator Wiring

Honeywell Generator
28 pages
Print Icon
To Next Page IconTo Next Page
To Next Page IconTo Next Page
To Previous Page IconTo Previous Page
To Previous Page IconTo Previous Page
Loading...
17
Wiring Diagram/Schematic - 15kW - Drawing No. 0H6198-D Electrical Data

Related product manuals