EasyManua.ls Logo

Honeywell MS7503A2023 - Betrieb

Honeywell MS7503A2023
72 pages
Print Icon
To Next Page IconTo Next Page
To Next Page IconTo Next Page
To Previous Page IconTo Previous Page
To Previous Page IconTo Previous Page
Loading...
DIREKT GEKOPPELTE AKTUATOREN MIT FEDERRÜCKSTELLUNG DER 3-NM-REIHE
31-00141M—06 8
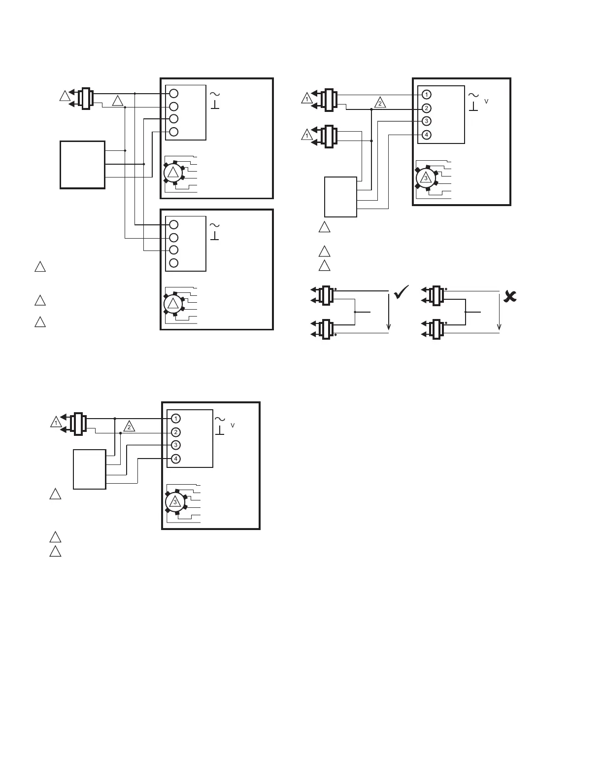
Abb. 16. Verkabelung für modulierende (0/2-10 VDC)
proportionale Steuerung für mehrere Aktuatoren, MS75
(gezeigt) und MS71.
Abb. 17. Verdrahtung für Sylk-Bus-Regler, MS3103.
Abb. 18. Verdrahtung für Sylk-Bus-Regler mit
getrennten Transformatoren, MS3103.
BETRIEB
Der Aktuator ist für die Verwendung in Belüftungs- und
Klimaanlageninstallationen zum Betrieb von Ventilen,
Klappen, Belüftigungsklappen und Lüftungsschlitzen
vorgesehen. (Informationen zu den Daten finden Sie im
Abschnitt zu den Spezifikationen.) Wenn der Aktuator
ausfällt, wird der Aktuator mittels einer Feder auf die
ausfallsichere Position zurückgesetzt.
Wenn ein Proportionalregler verwendet wird und der
Aktuator auf die Position (0)2 bis 10 festgelegt ist, treibt
der Aktuator bis zur vollständig geöffneten Position, wenn
das Eingangssignal erhöht wird. Der Aktuator treibt zur
vollständig geschlossenen Position, wenn das
Eingangssignal gesenkt wird. Der Aktuator wird
angehalten, wenn das Eingangssignal den gewünschten
Proportionalsteuerungspunkt erreicht. Wenn der Aktuator
auf die Position 10 bis 2(0) festgelegt ist, gilt das
Umgekehrte.
WICHTIG
Der Aktuator reagiert auf sofortige Kon-
taktschließungen von DDC-Reglern. Achten Sie
darauf, keine kurzen Zyklen für den Aktuator fest-
zulegen. Eine instabile Klappensteuerung kann zu
einem vorzeitigen Ausfall des Aktuators führen.
24 VAC
1
1
2
3
2
NETZSPANNUNG STROMVERSORGUNG.
STELLEN SIE TRENNMÖGLICHKEITEN
UND ÜBERLASTUNGSSCHUTZ BEREIT
WIE ERFORDERLICH.
STROMVERSORGUNG MIT 24 VDC
MÖGLICH.
STELLEN SIE DEN SCHALTER AUF
„MODULIERUEND“ EIN, WENN
VERFÜGBAR.
V
+
FEEDBACK
4
3
1
2
MG37322
3
V
4
3
1
2
3
AKTUATOR
0° – 90°/MODULIEREND
90° – 0°/FEEDBACK
2-10 VDC
10-2 VDC
0-10 VDC
10-0 VDC
GLEITEND, VORWÄRTS
GLEITEND, UMGEKEHRT
ROT
SCHWARZ
BRAUN
WEISS
AKTUATOR
0° – 90°/MODULIEREND
90° – 0°/FEEDBACK
2-10 VDC
10-2 VDC
0-10 VDC
10-0 VDC
GLEITEND, VORWÄRTS
GLEITEND, UMGEKEHRT
ROT
SCHWARZ
BRAUN
WEISS
4 BIS 20 mA,
PROPORTIONAL-
REGLER
KLASSE 2
1
2
3
HEISS
COM
REGLER
NETZSPANNUNG STROMVERSOR-
GUNG. STELLEN SIE TRENNMÖG-
LICHKEITEN UND ÜBERLASTUNG-
SSCHUTZ BEREIT WIE ERFORDER-
LICH.
STROMVERSORGUNG MIT 24 VDC MÖGLICH.
ADRESSENAUSWAHL
S-BUS
S-BUS
24 V AC
KLASSE 2
S-BUS
S-BUS
ROT
SCHWARZ
BRAUN
BRAUN
AKTUATOR
ADRESSE 11
ADRESSE 12
ADRESSE 13
ADRESSE 14
ADRESSE 15
TEST
1
2
3
NETZSPANNUNG STROMVERSORGUNG. STELLEN SIE TRENNMÖG-
LICHKEITEN UND ÜBERLASTUNGSSCHUTZ BEREIT WIE ERFORDER-
LICH.
STROMVERSORGUNG MIT 24 VDC MÖGLICH.
ADRESSENAUSWAHL
S-BUS
S-BUS
HINWEISE: Bei Verwendung von zwei Transformatoren in der Installation ist
darauf zu achten, dass die entsprechenden Schenkel der Sekundärwicklungen
als Gemeinsam angeschlossen werden. Überprüfen Sie die Spannung wie in
der Abbildung gezeigt, und stellen Sie sicher, dass sie niedriger als 30 V AC ist.
Wenn dies nicht der Fall ist, tauschen Sie die Schenkel einer Sekundärwicklung
aus.
24 V AC
KLASSE 2
24 V AC
KLASSE 2
24 V AC
KLASSE 2
24 V AC
KLASSE 2
ZUM AKTUATOR HEISS
ZUM REGLER HEISS
GEMEINSAM
> 30 V AC
GEMEINSAM
> 30 VAC
ZUM AKTUATOR HEISS
ZUM REGLER HEISS
HEISS
COM
REGLER
S-BUS
S-BUS
24 V AC
KLASSE 2
24 V AC
KLASSE 2
ROT
SCHWARZ
BRAUN
BRAUN
AKTUATOR
ADRESSE 11
ADRESSE 12
ADRESSE 13
ADRESSE 14
ADRESSE 15
TEST

Related product manuals