EasyManua.ls Logo

Honeywell SMV 3000 - 1.4 Smartline Configuration Toolkit (SCT 3000)

Honeywell SMV 3000
25 pages
To Next Page IconTo Next Page
To Next Page IconTo Next Page
To Previous Page IconTo Previous Page
To Previous Page IconTo Previous Page
Loading...
34-SM-03-01
Page 18
NOTE: Pressure transmitters that are part of safety equipment for the protection of piping (systems) or vessel(s) from
exceeding allowable pressure limits, (equipment with safety functions in accordance with Pressure Equipment Directive
97/23/EC article 1, 2.1.3), require separate examination.
190,5
7.5
136
5.35
68
2.68
115
4.53
115
4.53
49,3
1.94
27,4
1.079
231,9
9.13
29
1.14
73,6
2.9
98,6
3.88
108
4.25
114
4.49
with output meter
21
0.83
millimeter
s
inches
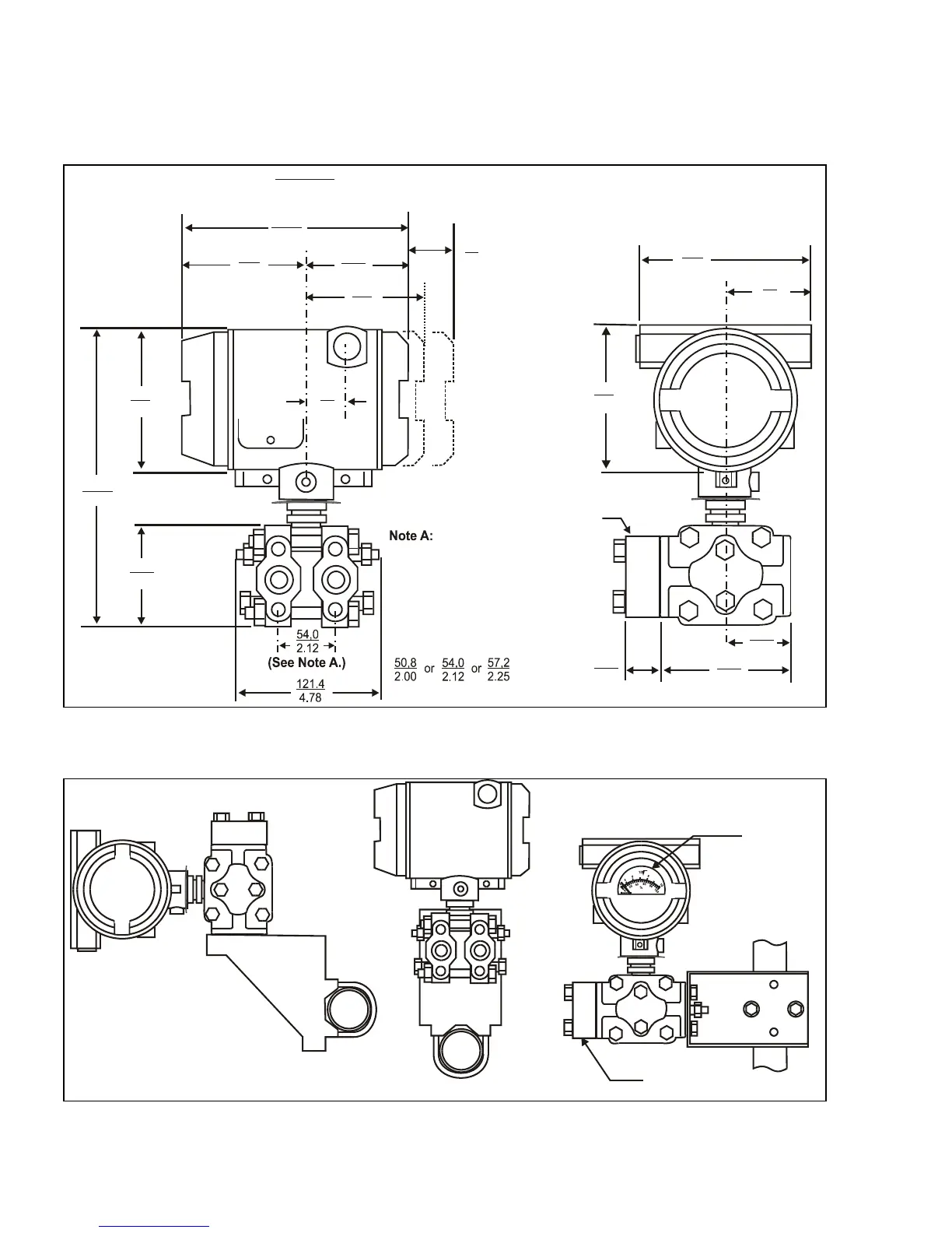
Reference Dimensions:
Minimum
clearance for
cap removal
(both ends)
Optional
Adapters
Connections at Optional Adapters
are offset from center (1, 5 mm/0.06 in.).
Distance between process connections
can be configured to:
Process heads have 1/4-inch
NPT connections.
Optional Adapters have 1/2-inch
NPT connections.
82,5
3.25
Figure 8 —Approximate Mounting Dimensions for Reference Only.
Optional
Integral
Meter
Optional
Flange
Adapter
Figure 9 —Examples of Typical Mounting Positions.

Other manuals for Honeywell SMV 3000

Related product manuals