EasyManua.ls Logo

Hotsy 1065SS - Wiring Diagrams

Hotsy 1065SS
40 pages
Print Icon
To Next Page IconTo Next Page
To Next Page IconTo Next Page
To Previous Page IconTo Previous Page
To Previous Page IconTo Previous Page
Loading...
HOTSY 965SS-1075SS • 9.807-621.0 • Rev. 09/18
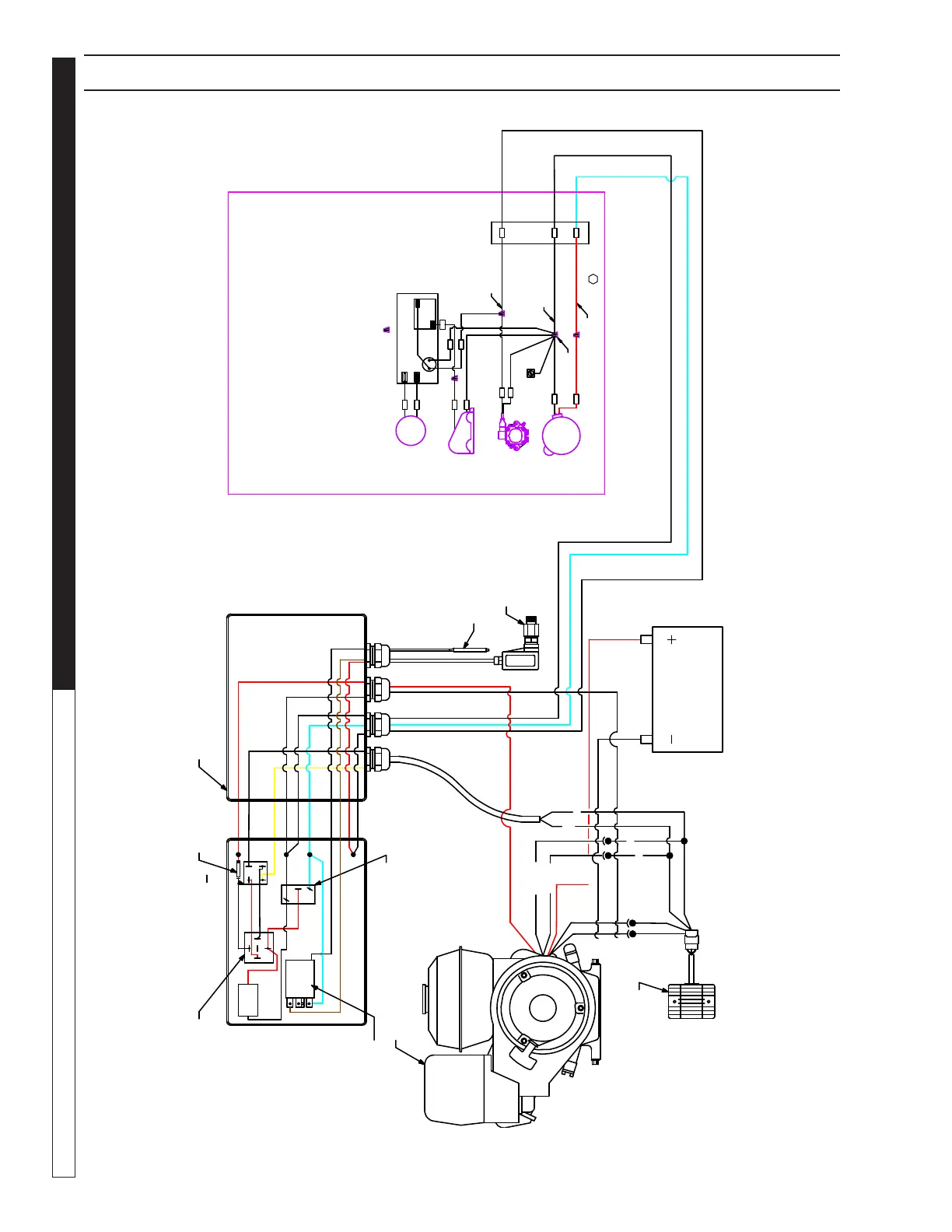
PRESSURE WASHER Wiring Diagram
38
WIRING DIAGRAM - 1065SSE, 1075SSE
1
B
A
B
4 3
12
2
4
A
3
COMPLIANCE WITH THE CURRENT VERSION OF THE KARCHER STANDARD KäN 050.032 "CONSTITUENT SUBSTANCES" (BAN OF LEAD,CADMIUM,ETC.) MUST BE GUARANTEED
DRAWING IS APPROVED BY ELECTRONIC
SIGNATURE IN PLM SYSTEM
SIZE
ATC
MILLIMETERS
X.XX
± 2
X.XXX ± 0.8
X.XXX ± 2
(TUBING)
ELECTRICAL DIAGRAM,1065SSE,1075SSE
SCALE :
B
NONE
DESCRIPTION
DATEDWG BY :
DRAWING NUMBER
7/6/2017
TOLERANCES: UNLESS OTHERWISE NOTED
INCH
X.XX ± 0.06
X.XXX ± 0.03
X.XXX ± 0.06
(TUBING)
± 1
PROPRIETARY & CONFIDENTIAL
THE INFORMATION CONTAINED IN THIS DRAWING IS PROPRIETARY AND MAY CONTAIN TRADE SECRETS AND PATENTABLE SUBJECT
MATTER WHICH ARE THE EXCLUSIVE PROPERTY OF KÄRCHER NORTH AMERICA. THIS DRAWING IS PROTECTED BY THE COPYRIGHT
LAWS OF THE UNITED STATES
9.801-377.0
THIRD ANGLE
PROJECTION
1 OF 1
C
REV
SHEET
GRAY
B
LK
GRAY
GRAY
GRAY
GRAY
GRAY
RED
YEL
YEL
12V BATTERY
NEG POS
VOLTAGE REGULATOR
BLK 6GA
BLK
RED
BLU
BRN
CAPILLARY TUBE
RED 12GA
BLK
BLU 12GA
BLU
WHT
BRN
BLK 12GA
BLK
YEL
BLK
YEL
PRESSURE
SWITCH
ENGINE
C
THERMOSTAT
1
2
86
87 a
87
ISOLATION RELAY
RED
+
BURN ER SWITCH
30
85
RED
PROBE
THERMOSTAT
BRIDGE RECTIFIER
30 AMP FUSE CONTROL BOX
BLK
RED
HOUR
METER
W
HT
RED 12GA
BLK
BLK 12GA
B
LK
RED
12GA
12GA
12GA
RED
12GA
RED 6GA
B
LU
B
LK
GR OU ND TO
BU RN E R HO U SIN G
WIT H S CR EW
SEQ UE NC E OF OPERATIO N:
1. APPLIED 12V ENERGIZES :
- B URNER M O TO R WICH S T AR T S FU EL FLOW
- SH UT-OFF VALVE WICH ALLOWS FUEL TO FLOW OUT OF PUM P
- 3 SEC. TIMER ENERGIZE S IGNITOR T O IGNITE FU EL
2. AFTER 3 SEC. THE TIMER DE- EN ER G IZES THE IGN ITOR. (T HE RE S IS T OR JU MPER
ON P HO TOCELL ELIMIN ATES R E- ENERGIZING IG NITOR IF FLA ME IS L O ST)
3. AFTER 12 VOLT S H AVE BEEN REMO V ED :
- B URNER M OT O R IS DE-EN ER G IZED WIC H STO
PS FUEL FLOW
- S H UT OFF VALVE IS DE- EN ER G IZED WIC H STOPS FUEL FLOW OUT OF PUMP
- 3 SEC. TIMER IS D E- EN ER GIZED
4. SEQUENCE S TA R TS AG AIN WH EN 12 VOLTS APPL IED.
FU E L S O L E NO ID
(S H U T -O FF V A LV E )
12 - 2 4V DC
IG NI TO R
12V DC
W
H
T
16GA
12GA
12GA
BLK
PUR
WHT
RE D
RED
BLK
BLA CK
N.0 .
RE LA Y
COM
PH OT OC ELL
+ -
INTE R NA L CO N NEC TION
TIM ER - 3 SEC
IND ICA TE S WIR E NU T
RED
BLK
62 41 1-0 53
12 G A F RO M NU T
624 11-05 2
12 GA FR OM N UT
RE D
13743
16 G A F RO M NU T
WHT
BLK
RE
D
+
+
-
M AC H INE C ONN E C TION
RE D
CAD
CELL
12V D C
O
M O T OR
BURNER
W
YLW
YLW
REVISION HISTORY
REV DESCRIPTION ECR REV BY DATE
A KNA AND BECKETT BURNER SHOWN ON WIRING DIAGRAM 5013198 CRG
11/11/11
B
ADD ELECRICAL DIAGRAM TO E-BOM, UPLOAD DRAWING TO SAP
5018664 JGG
04/19/13
C
WAYNE BURNER MODULE ADDED, KNA AND BECKETT BURNERS MODULE
REMOVED
5029131 ATC
10/11/17
NOTES:
1.- APPLICABLE MACHINES : 1.110-011.0
1.110-012.0
C
C

Other manuals for Hotsy 1065SS

Related product manuals