EasyManua.ls Logo

HP LE1901w - OSD Menu Selections

HP LE1901w
59 pages
Print Icon
To Next Page IconTo Next Page
To Next Page IconTo Next Page
To Previous Page IconTo Previous Page
To Previous Page IconTo Previous Page
Loading...
19" LCD Color Monitor HP LE1901w
22
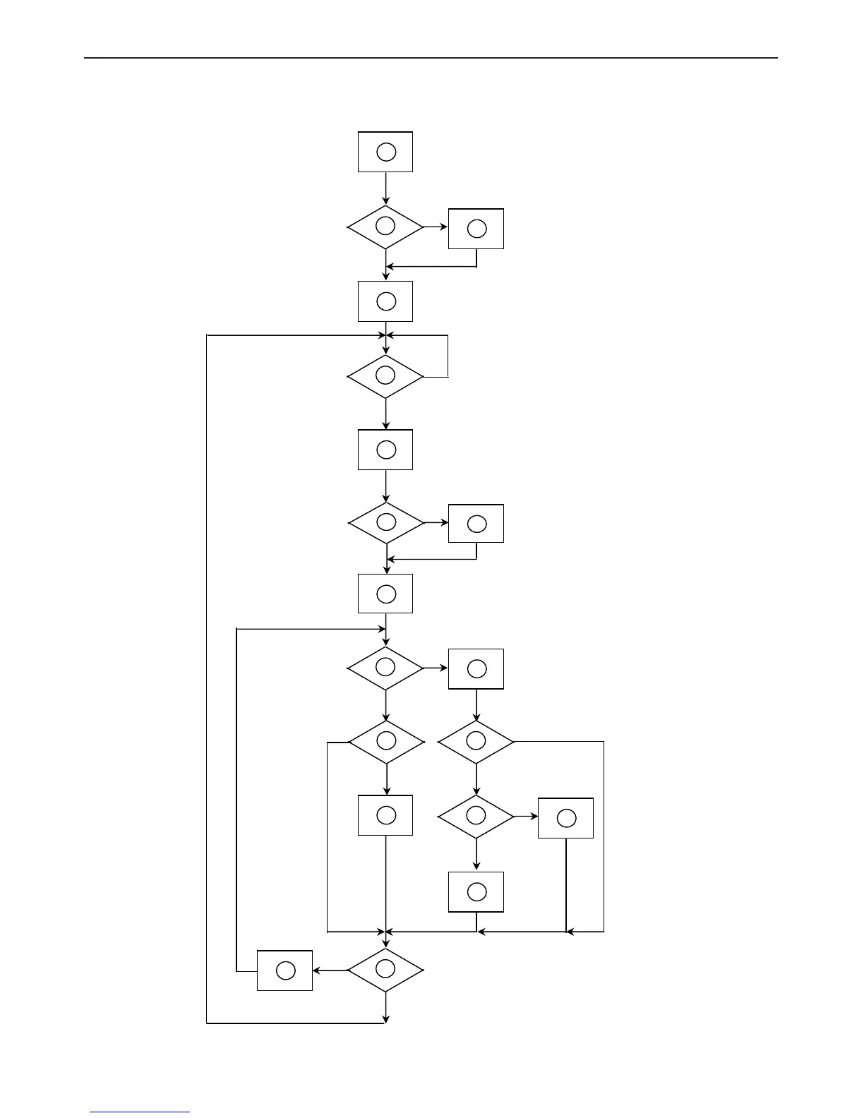
6. Block diagram
6. 1 Software Flow Chart
1
2
N
Y
5
Y
N
10
Y
N
12
Y
N
7
Y
N
6
4
3
8
9
14
11
13
Y
N
15
Y
N
16
17
19
Y
N
18

Other manuals for HP LE1901w

Related product manuals