EasyManua.ls Logo

Huawei P20 - Page 63

Huawei P20
67 pages
To Next Page IconTo Next Page
To Next Page IconTo Next Page
To Previous Page IconTo Previous Page
To Previous Page IconTo Previous Page
Loading...
EML-L29V100R001 Advanced Maintenance Manual V2.1
INTERNAL
2019-6-25
Page 63 of 67
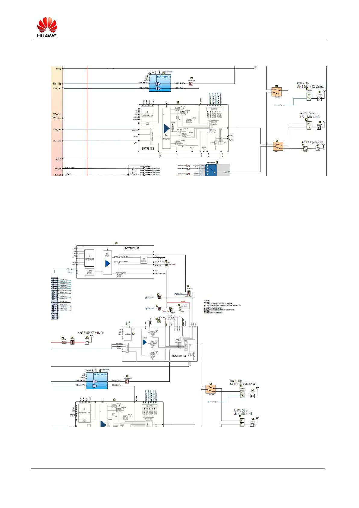
4.19.2.2 Maintenance Principle for the LB Module
Signal flow in the B5/B8/B12/B17/B18/B19/B20/B26/B28 transmission circuit: U3301 U3401
U3702 Z3701 (diplexer) J3703 antenna spring
4.19.2.3 Maintenance Principle for the UHB Module

Table of Contents

Other manuals for Huawei P20

Related product manuals