EasyManua.ls Logo

Hussmann Q2SSM4S - Page 41

Hussmann Q2SSM4S
44 pages
Print Icon
To Next Page IconTo Next Page
To Next Page IconTo Next Page
To Previous Page IconTo Previous Page
To Previous Page IconTo Previous Page
Loading...
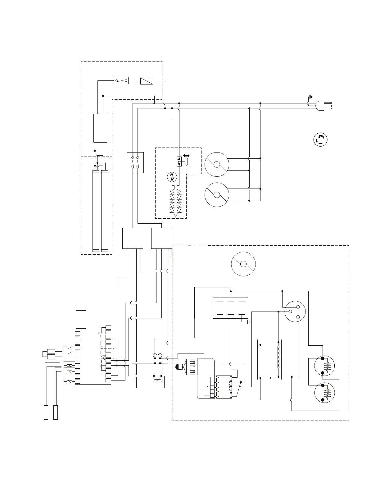
HUSSMANN CORPORATION • BRIDGETON, MO 63044-2483 U.S.A.
Q1, Q2, Q3 Merchandisers
P/N 0562873_M 5-15
COM NO
COM
NO
0
1
8
4
6
2
SHELF LED
CANOPY LED
POWER
SUPPLY
EVAPORATOR
FANS
RELAY
COMPRESSOR
CONDENSER
FAN
BK
W
BK
W
W
BK
W
W
BK
BK
W
MODEL: Q3SSM4S
SWITCH
FUSE
ORG
BK
W
0557339_G
BL
R
R
GR
EVAPORATOR
PAN
W
NEMA
L5-30 P
115V
60HZ
1HP
SWITCH
S3
S1
S2
S4
UNIT CONDENSER
FLOAT
SWITCH
SAFETY
SWITCH
BK
START
CAPACITOR
C
S
R
L1
L2
GR
COMPRESSOR
BK
RUN
CAPACITOR
BL
R
Y
BK
Y
Y
PRESSURE
CONTROL
POTENTIAL
RELAY
1
2
5
4
R
R
HARNESS
BL
SPLICE
BK
BK
R
1
3 4
5
9
10
11
12
TO SUCTION
TRANSDUCER
R
OPTIONAL KIT LED
WARNING
UNPLUG THE UNIT BEFORE SERVICING
ATTENTION
DÉBRANCHER L´APPAREIL AVANT DE FAIRE L´ENTRETIEN
PRECAUCIÓN
DESCONECTAR EL EQUIPO ANTES DE HACER CUALQUIER
REPARACIÓN
13 14
15
16 17
18
19 20
123456789 10 11 12
115V
DO1
DO2
DO3
DO4
S3
S4
S5
DI1 DI2
SENSOR TEMP.
SENSOR DEFROST
CONTROL AK-CC210
CONTROL
TEMPERATURE
W
W
R
R
BK
W
BL
BK
OPTIONAL KIT
LP
PRESSURE
SWITCHES
HP

Related product manuals