EasyManua.ls Logo

Hussmann Q2SSM4S - Page 42

Hussmann Q2SSM4S
44 pages
Print Icon
To Next Page IconTo Next Page
To Next Page IconTo Next Page
To Previous Page IconTo Previous Page
To Previous Page IconTo Previous Page
Loading...
P/N 0562873_M U.S. & Canada 1-800-922-1919 • Mexico 1-800-890-2900 • www.hussmann.com
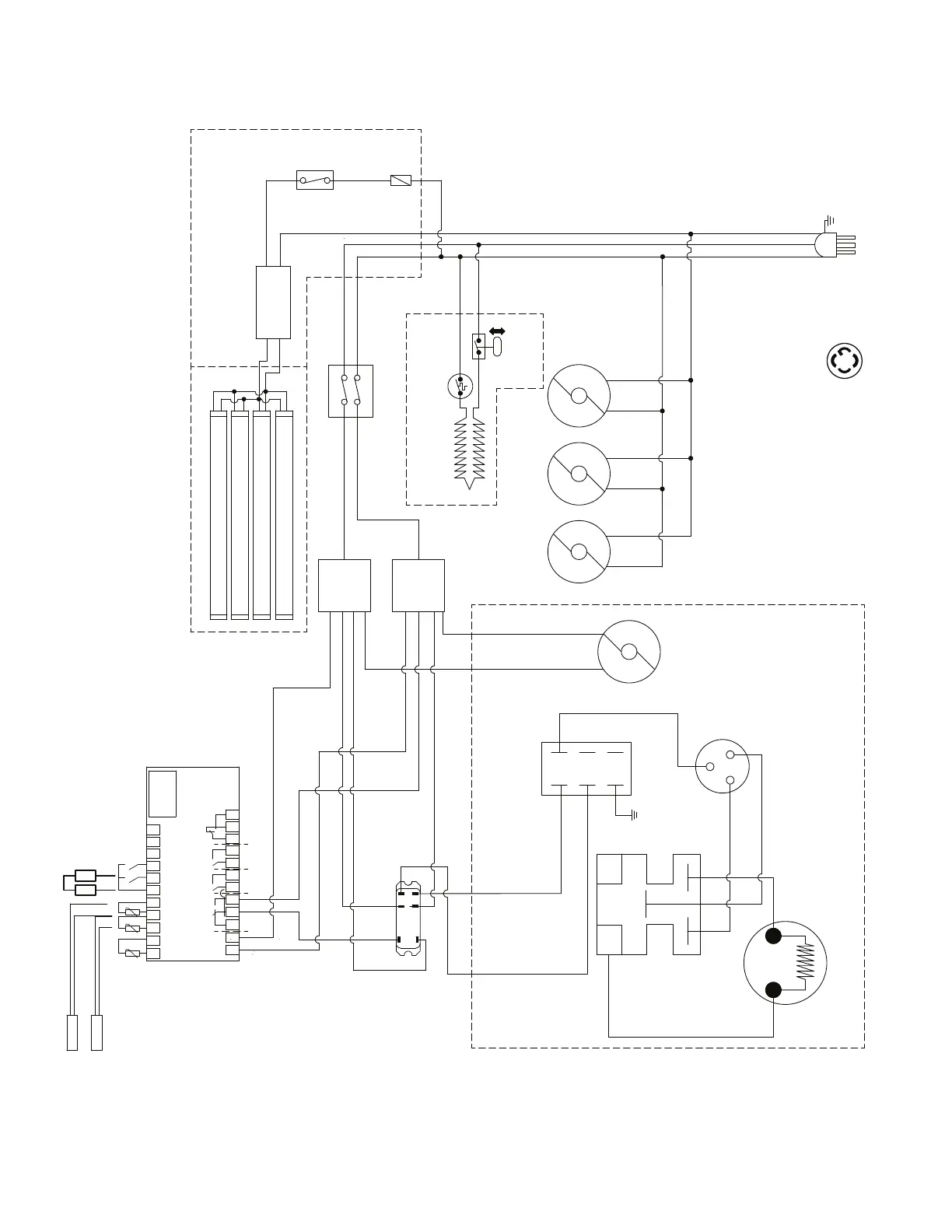
5-16 sErvIcE tEchnIcal Data
COM NO
COM
NO
0
1
84
6
2
SHELF LED
SHELF LED
POWER
SUPPLY
1
2
4
START
CAPACITOR
C
S
R
L1
L2
GR
EVAPORATOR
FANS
RELAY
COMPRESSOR
COMPRESSOR
CONDENSER
FAN
BK
R
BK
W
BK
R
BK
R
R
BK
BK
R
MODEL: Q3SSM6S
SWITCH
FUSE
ORG
BK
W
0557447_H
BL
R
R
GR
BK
R
R
BK
R
SWITCH
S3
S1
S2
S4
UNIT CONDENSER
NEMA
L14-30 P
230V
60HZ
1HP
W
EVAPORATOR
PAN
FLOAT
SWITCH
SAFETY
SWITCH
BK
CANOPY LED
CANOPY LED
BK
R
Y
W
WARNING
UNPLUG THE UNIT BEFORE SERVICING
ATTENTION
DÉBRANCHER L´APPAREIL AVANT DE FAIRE L´ENTRETIEN
PRECAUCIÓN
DESCONECTAR EL EQUIPO ANTES DE HACER CUALQUIER
REPARACIÓN
13 14 15 16 17 18 19 20
12
3
45
678
9 10 11 12
230V
DO1
DO2 DO3 DO4
S3
S4
S5
DI1
DI2
SENSOR TEMP.
CONTROL AK-CC210
CONTROL
TEMPERATURE
W
W
R
R
R
BK
BL BK
SENSOR DEFROST.
OPTIONAL KIT
OPTIONAL KIT LED
LP
PRESSURE
SWITCHES
HP

Related product manuals