EasyManua.ls Logo

HydroTherm DYNAMIC/X8 - Electrical Schematics & Connections; Electrical Schematic Diagram

HydroTherm DYNAMIC/X8
44 pages
Print Icon
To Next Page IconTo Next Page
To Next Page IconTo Next Page
To Previous Page IconTo Previous Page
To Previous Page IconTo Previous Page
Loading...
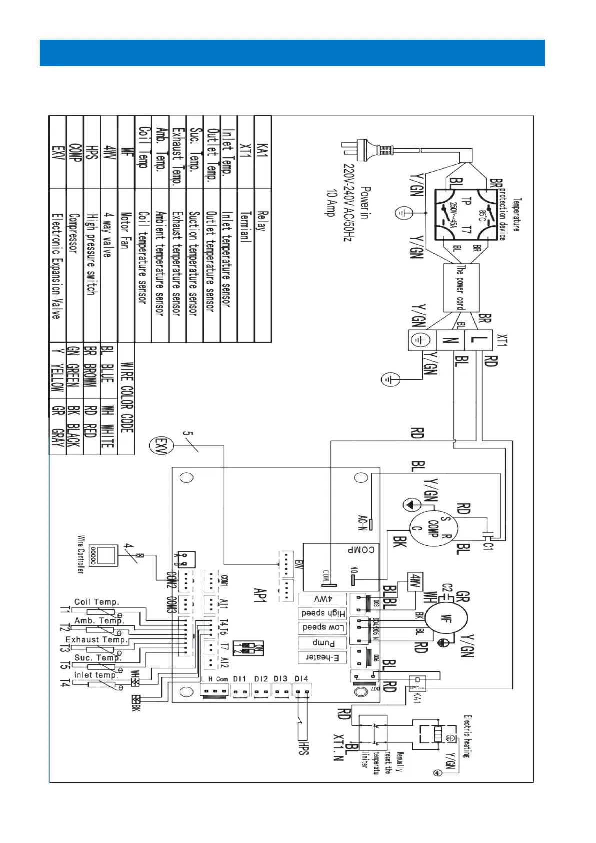
10.1 ELECTRICAL SCHEMATIC
20
ELECTRICAL SCHEMATICS & CONNECTIONS

Related product manuals