EasyManua.ls Logo

Hyundai 20DT-7 - Group 3 Disassembly and Assembly

Hyundai 20DT-7
240 pages
Print Icon
To Next Page IconTo Next Page
To Next Page IconTo Next Page
To Previous Page IconTo Previous Page
To Previous Page IconTo Previous Page
Loading...
5-12
GROUP 3 DISASSEMBLY AND ASSEMBLY
GROUP 3 DISASSEMBLY AND ASSEMBLY
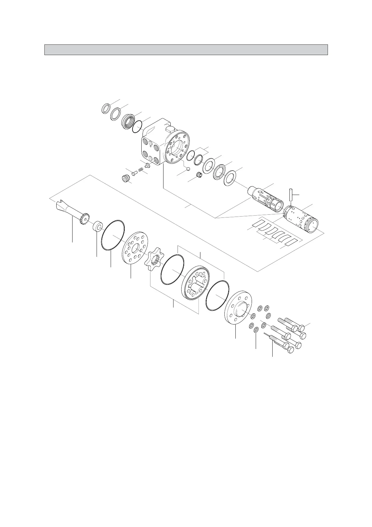
1. STEERING UNIT
1. STEERING UNIT
STRUCTURE
STRUCTURE
1)
1)
3
4
14
6
21
1
8
16
7
10
19
13
10
17
9
15
20
18
22
23
11
2
25-1
25-4
25-2
25-3
12
14
24
24
5
20D7SS06
1 Dust seal
2 Retaining ring
3 Cap seal
4 Thrust bearing
5 Ball
6 Pin
7 Spacer
8 Center spring
9 Washer
10 O-ring
11 O-ring
12 Rolled screw
13 Gerotor set
14 Bearing race
15 Bore screw
16 Drive
17 End cap
18 Gland bushing
19 Plate
20 Cap screw
21 Housing
22 Spool
23 Sleeve
24 Plate spring
25 P-port check valve.
25-1 Plug
25-2 Poppet
25-3 Spring seat
25-4 Spring

Related product manuals