EasyManua.ls Logo

IBM DDRS-39130 - Ultrastar 9.1 GB Hard Drive

IBM DDRS-39130 - Ultrastar 9.1 GB Hard Drive
228 pages
To Next Page IconTo Next Page
To Next Page IconTo Next Page
To Previous Page IconTo Previous Page
To Previous Page IconTo Previous Page
Loading...
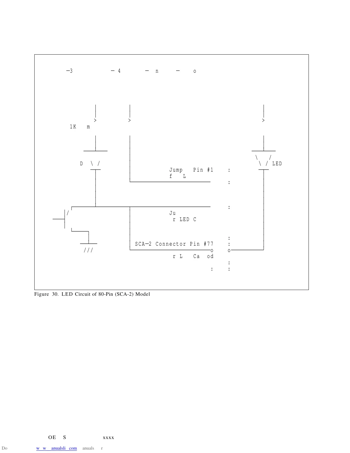
6.3.3 80-Pin Model
DDRS
Ä
39130 / DDRS
Ä
34560 80
Ä
Pin (SCA
Ä
2) Model : : Example of Usage
: : at System Side
::
::
+5V +5V : : +5V
oo ::o
³³
::
³
³³
::
³
>> ::>
1K Ohm < < 620 Ohm : : < 150 Ohm
>> ::>
³³
::
³
³³
::
³
ÄÄÄÁÄÄÄ ³
::
ÄÄÄÁÄÄÄ
\/
³
:: \/
LED \ /
³
: : \ / LED
ÄÂÄ ³
Jumper Pin #1 :
ÄÂÄ
³³
for LED Anode :
³
³ ÀÄÄÄÄÄÄÄÄÄÄÄÄÄÄÄÄÄÄÄÄÄÄÄ
o:
³
³
::
³
³
::
³
³
::
³
ÚÄÄÄÄÄÄÁÄÄÄÄÄÄÄÄÄÂÄÄÄÄÄÄÄÄÄÄÄÄÄÄÄÄÄÄÄÄÄÄÄ
o:
³
³
/
³
Jumper Pin #2 :
³
ÄÄÄ´ ³
for LED Cathod :
³
³
\
³
::
³
ÀÄÄÄÄ¿ ³
::
³
³³
::
³
ÄÄÁÄÄ ³
SCA
Ä
2 Connector Pin #77 :
³
///
ÀÄÄÄÄÄÄÄÄÄÄÄÄÄÄÄÄÄÄÄÄÄÄÄ
oo
ÄÄÄÄÄÄÄÄÄÙ
for LED Cathod :
::
::
Figure 30. LED Circuit of 80-Pin (SCA-2) Model
38 OEM Spec. of DDRS-3xxxx

Table of Contents

Related product manuals