EasyManua.ls Logo

ICE Games Frogger - Schematics

ICE Games Frogger
31 pages
Print Icon
To Next Page IconTo Next Page
To Next Page IconTo Next Page
To Previous Page IconTo Previous Page
To Previous Page IconTo Previous Page
Loading...
18
GND_DIGITAL
GND_DIGITAL
GND_POWER
GND_DIGITAL
GND_POWER
GND_DIGITAL
GND_POWER
GND_DIGITAL
GND_POWER
GND_DIGITAL
GND_POWER
GND_DIGITAL
GND_POWER
GND_DIGITAL
GND_POWER
GND_DIGITAL
GND_POWER
GND_DIGITAL
GND_POWER
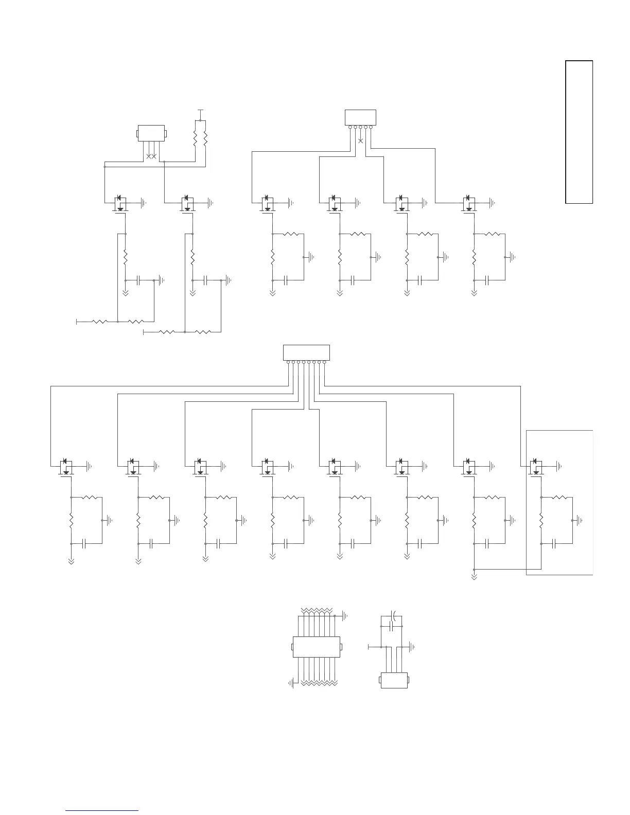
Lamp Drivers x8
GND_DIGITAL
GND_POWER
GND_DIGITAL
GND_POWER
Ticket Dispens er
ONLY Drivers - x2
Keypad
Row Drivers
GND_DIGITAL
GND_POWER
GND_DIGITAL
GND_POWER
GND_DIGITAL
GND_POWER
GND_DIGITAL
GND_POWER
SPARE2
SPARE4
SPARE6
SPARE8
SPARE10
SPARE12
SPARE1
SPARE3
SPARE5
SPARE7
SPARE9
SPARE11
SPARE13
SPARE5
SPARE4
SPARE3
SPARE2
SPARE1
SPARE6
SPARE7
SPARE9
SPARE8
SPARE13
SPARE12
SPARE11
SPARE10
+5Vin
+5Vin
+5Vin
+5Vin
R7 4.7K
P2
.100" 8X2 HEADER
2
4
6
8
10
12
14
16
1
3
5
7
9
11
13
15
C3
100pF
R3 4.7K
R13 4.7K
C1
0.1µF
R8 330
R4 330
Q4
FDN339AN
3
1
2
+
C2
10µF
R14 330
R2 4.7K
Q6
FDN339AN
3
1
2
C6
100pF
C4
100pF
Q3
FDN339AN
3
1
2
Q8
FDN339AN
3
1
2
C9
100pF
R1 330
Q5
FDN339AN
3
1
2
R5 4.7K
R15 4.7K
Q7
FDN339AN
3
1
2
R9 4.7K
R11 4.7K
R6 330
Q1
FDN339AN
3
1
2
Q2
FDN339AN
3
1
2
R16 330
R10 330
R12 330
P3
.100" HEADER
1
2
3
4
5
6
7
8
C5
100pF
C10
100pF
P1
.156" HEADER
1
2
3
4
C7
100pF
C8
DNP
C12
100pF
C11
100pF
R32 DNP
R34 DNP
Q10
FDN339AN
3
1
2
R18 330
R20 330
Q9
FDN339AN
3
1
2
R30
9.1K
R29
4.7K
R31
4.7K
R33
9.1K
Q11
FDN339AN
3
1
2
Q13
FDN339AN
3
1
2
R21 4.7K
R23 4.7K
R27 4.7K
R22 330
R24 330
R28 330
C13
100pF
C14
100pF
C16
100pF
R25 4.7K
R26 330
Q12
FDN339AN
3
1
2
Q14
FDN339AN
3
1
2
C15
100pF
P4
.100" HEADER
1
2
3
4
P5
.100" HEADER
1
2
3
4
5
I/O Expansion Schematics

Related product manuals