EasyManua.ls Logo

IceTech PR350H - Page 165

IceTech PR350H
223 pages
Print Icon
To Next Page IconTo Next Page
To Next Page IconTo Next Page
To Previous Page IconTo Previous Page
To Previous Page IconTo Previous Page
Loading...
e-mail: holtec@holtec.dk
Tlf. +45 76767676 Fax. +45 76767677
68oo Varde
Agervigvej 46, Næsbjerg
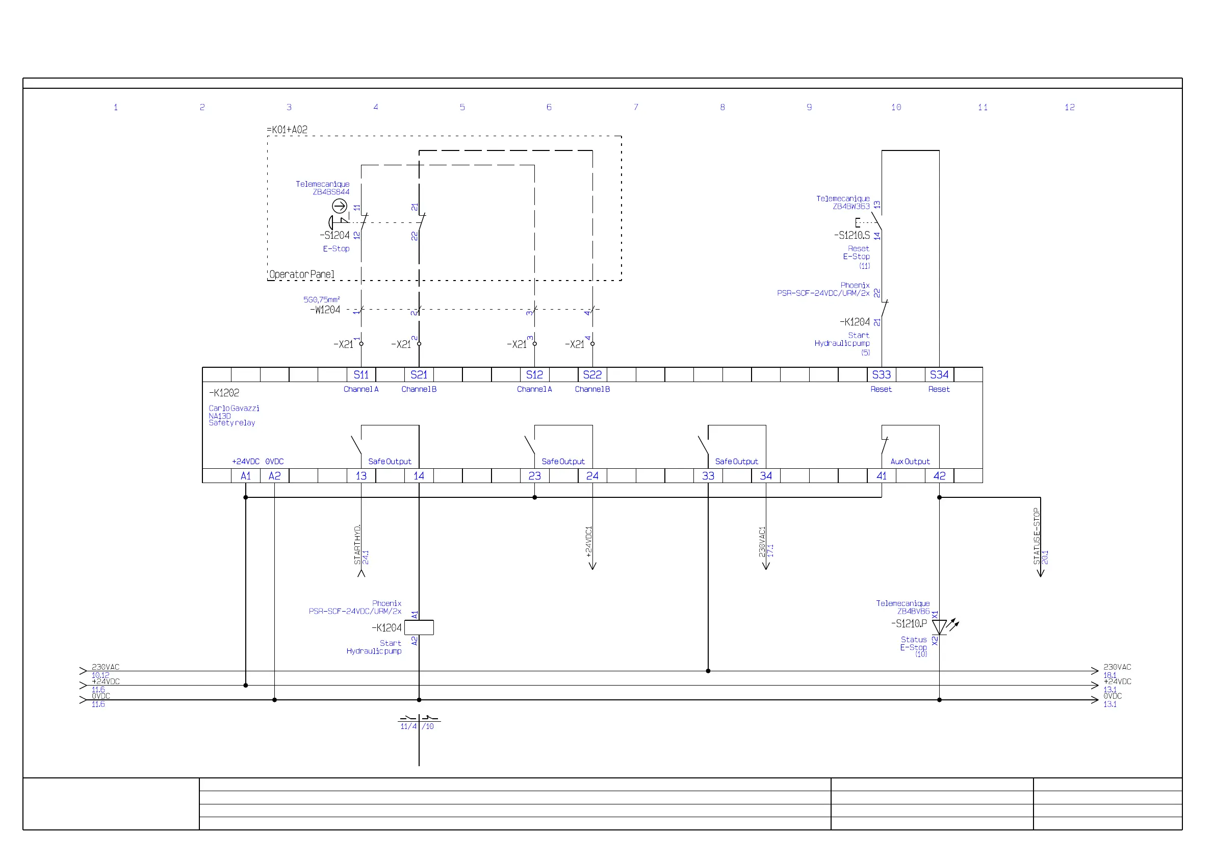
Holtec Automatic A/S
Project title: 11kW Dryice Pelletizer PR350
Drawing No.: IT1103
Page: 12 of 56
Last print: 2/15/2011
Last edit: 1/6/2011 3:51:20 PM
Customer: IceTech A/S Constructor.: GJ
Approved.:
Rev.:Page title: Emergency Stop Circuit
PC|SCHEMATIC Automation File name: IT1103
Page reference: =K01+A01
Serial No.:PR750H /