EasyManua.ls Logo

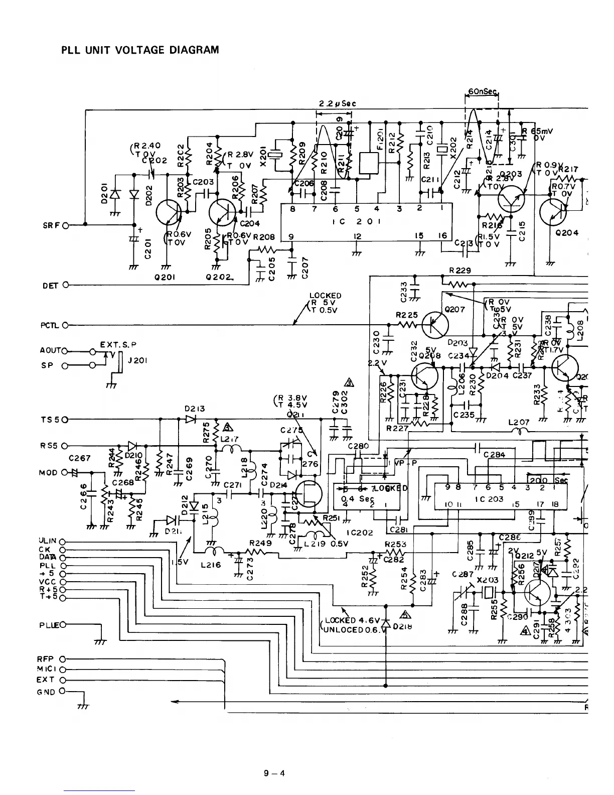
Icom IC-02AT - PLL Unit Voltage Diagram

Icom IC-02AT
82 pages
Print Icon
To Next Page IconTo Next Page
To Next Page IconTo Next Page
To Previous Page IconTo Previous Page
To Previous Page IconTo Previous Page
Loading...

Table of Contents

Other manuals for Icom IC-02AT

Related product manuals