EasyManua.ls Logo

Icom IC-208H - Page 13

Icom IC-208H
52 pages
Print Icon
To Next Page IconTo Next Page
To Next Page IconTo Next Page
To Previous Page IconTo Previous Page
To Previous Page IconTo Previous Page
Loading...
4 - 5
4-2-3 VHF DRIVE AMPLIFIER CIRCUIT
(MAIN UNIT)
The drive amplifier circuit amplifies the VCO oscillating sig-
nal to a level needed at the power amplifier.
The RF signals from the low-pass filter (VCO board) pass
through the attenuator (R133, R134, R137), and are then
amplified at the pre-drive (Q30) and drive (Q33, D13) ampli-
fiers to obtain power that IC13 can operate. The amplified
signal is then applied to the RF power amplifier (IC1).
4-2-4 VHF POWER AMPLIFIER CIRCUIT
(MAIN UNIT)
The power amplifier circuit amplifies the driver signal to an
output power level.
IC13 is a power module which has amplification output
capabilities of about 55 W. The RF signal from the drive
amplifier (Q33) is applied to IC13 (pin 1).
The amplified signals from the power amplifier (IC13, pin 4)
pass through the low-pass filter (L22, C193, C189) and
SWR detector (D27, D33), antenna switching circuit (D45)
and other low-pass filter (L45, L46, L49, C279, C282, C285,
C289). The filtered signals are passed through the low-pass
filter (L51, L52, L56, C295, C299) to suppress unwanted sig-
nals, and are then applied to the antenna connector (CHAS-
SIS unit J2).
Control voltage for the power amplifier (IC13, pin 2) are con-
trolled by the APC circuit to protect the power module from
a mismatched condition as well as to stabilise the output
power.
4-2-5 VHF APC CIRCUIT (MAIN UNIT)
The APC circuit protects the power amplifier from a mis-
matched output load and stabilises transmit output power.
The SWR detector circuit (D27, D33, L29) detects forward
signals and reflection signals at D27 and D33 respectively.
The combined voltage is at a minimum level when the
antenna impedance is matched at 50 and is increased
when it is mismatched.
The detected voltage is applied to the APC amplifier (IC15,
pin 6) and compared with a reference voltage which is sup-
plied from the CPU (IC505) as a PCON_V D/A control sig-
nal.
When antenna impedance is mismatched, the detected volt-
age exceeds the reference voltage. The output voltage of
the APC amplifier (IC15, pin 7) controls the bias voltage of
the power module (IC13) to reduce the output power via the
APC controller (IC15,).
4-2-6 UHF MODULATION CIRCUIT
(MAIN UNIT AND VCO BOARD)
The audio or data signals from the reference controller (D1,
X1) pass through the UHF PLL IC (IC2, pins 1,15) and UHF
loop filter (IC6, Q9, Q10, D4), and are then applied to the U-
VCO circuit (VCO board).
The signals change the reactance of D100 (VCO board) to
modulate the oscillated signal at the U-VCO circuit (VCO
board; Q101, D101, D102). The modulated signals are
amplified at the buffer amplifiers (VCO board; Q102, Q103),
and then passed through the Tx/Rx switching circuit (VCO
board; D103) and low-pass filter (L104, C122, C124). The fil-
tered signals are applied to the drive amplifier circuit on the
MAIN unit.
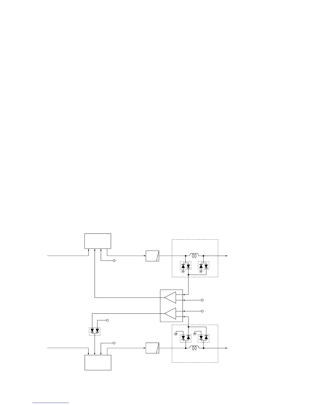
HV
to the VHF TX/RX switch
to the UHF TX/RX switch
APC controller
(IC15)
VHF SWR detector
IC13
L29
5
6
7
D27 D33
From the VHF
drive amplifier (Q33)
VHF power
amplifier
UHF power
amplifier
HV
IC14
D531
"PL_U" signal from the D/A
convertor (IC11, pin 19)
"PCON_V" signal from the D/A
convertor (IC11, pin 8)
"PCON_V" signal from the D/A
convertor (IC11, pin 9)
L30
3
2
1
D28 D34
From the UHF
drive amplifier (Q34)
LPF
LPF
UHF SWR detector
APC CIRCUIT

Other manuals for Icom IC-208H

Related product manuals