EasyManua.ls Logo

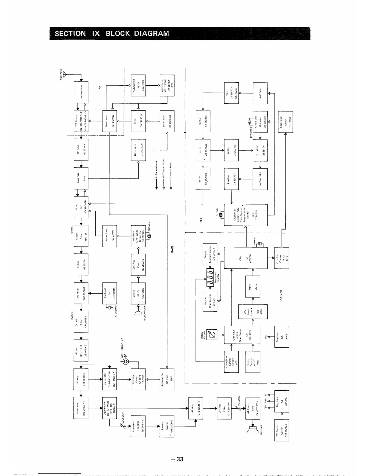
Icom IC-25H - SECTION IX BLOCK DIAGRAM

Icom IC-25H
36 pages
Print Icon
To Next Page IconTo Next Page
To Next Page IconTo Next Page
To Previous Page IconTo Previous Page
To Previous Page IconTo Previous Page
Loading...

Related product manuals