EasyManua.ls Logo

Icom IC-706MKIIG - Page 12

Icom IC-706MKIIG
67 pages
Print Icon
To Next Page IconTo Next Page
To Next Page IconTo Next Page
To Previous Page IconTo Previous Page
To Previous Page IconTo Previous Page
Loading...
3 - 7
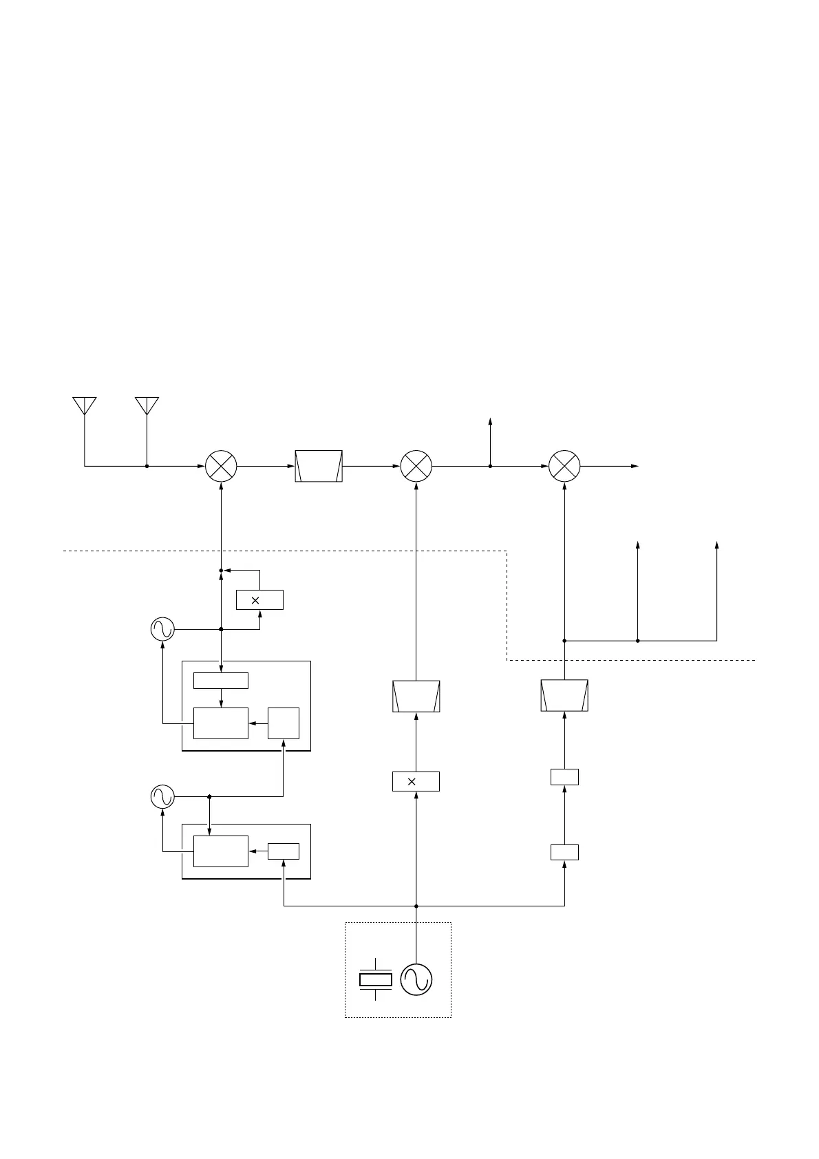
3-3-3 2ND LO AND REFERENCE OSCILLATOR
CIRCUITS
The reference oscillator (X621, Q621) generates a 30.0
MHz frequency used for the 1st LO and BFO circuits as a
system clock and for the 2nd LO signal.
The oscillated signal is amplified at the buffer amplifier
(Q661), and is doubled at Q681 and the 60 MHz frequency
is picked up at the bandpass filter (L681, L682). The 60 MHz
signal is applied to the MAIN board as a 2nd LO signal.
3-3-4 BFO CIRCUIT
The DDS IC (IC901) generates a 10-bit digital signal. The
signal is converted into an analog wave signal at the D/A
converter (R951–R970). The analog wave is passed
through the high-pass filter and low-pass filter. The 9 MHz
BFO signal is then applied to the MAIN board via the “BFO”
signal line.
While transmitting in RTTY mode, the RTTY keying signal is
applied to IC901 pin 3 to shift the generated frequency and
to obtain 2 frequencies for FSK operation.
While receiving in FM or FM narrow mode, the BFO circuit
generates a 9.4665 MHz frequency as the 3rd LO signal.
While transmitting in FM or FM narrow mode, the BFO cir-
cuit generates a 9.0115 MHz or 9.0100 MHz frequency as
the TX FM PLL reference frequency, respectively.
69.0415–
539.0115 MHz
(1st LO)
10.665–
10.683 MHz
129.0115–
539.0115 MHz
69.0415–
129.0115 MHz
60.0 MHz
(2nd LO)
[ANT1] [ANT2]
1st mixer
D271
0.03–
60 MHz
60–
470 MHz
9.01 MHz
(BFO)
9.4665 MHz (FM)
9.4650 MHz (FM nar.)
9.0115 MHz (FM)
9.0100 MHz (FM nar.)
to FM IF IC
(IC791)
to TX FM
PLL IC
(IC1011)
IC901
IC101
IC461
Q681
PLL UNIT
MAIN BOARD
Q301
Q331
Q361
Q1
Phase
detector
1
N
divider
1
86
Phase
detector
Main loop PLL
Ref. loop PLL
DDS
2
2
DDS
D/A
BPF
BPF
2nd mixer
D551
Product
detector
IC841
69.0115 MHz
(WFM: 70.7 MHz)
to AF selector switch
Ref. Osc.
30.0 MHz
X621
BPF
1st IF 2nd IF
AF signals
Q621
to WFM detector
(IC631)
• FREQUENCY CONSTRUCTION

Other manuals for Icom IC-706MKIIG

Related product manuals