EasyManua.ls Logo

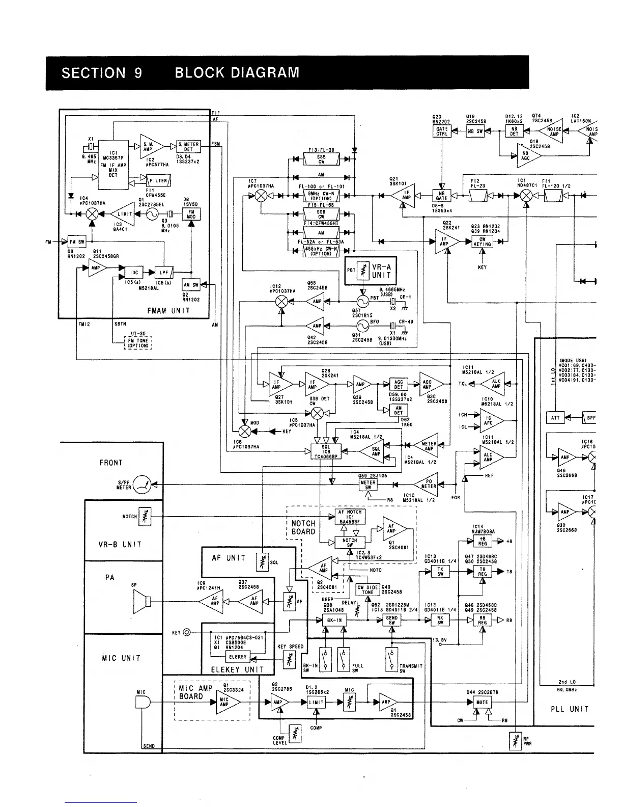
Icom IC-737 - Section 9 Block Diagram; FMAM Unit System Block Diagram; Main Unit System Block Diagram

Icom IC-737
102 pages
Print Icon
To Next Page IconTo Next Page
To Next Page IconTo Next Page
To Previous Page IconTo Previous Page
To Previous Page IconTo Previous Page
Loading...

Table of Contents

Other manuals for Icom IC-737

Related product manuals