EasyManua.ls Logo

Icom IC-7700 - Page 102

Icom IC-7700
135 pages
To Next Page IconTo Next Page
To Next Page IconTo Next Page
To Previous Page IconTo Previous Page
To Previous Page IconTo Previous Page
Loading...
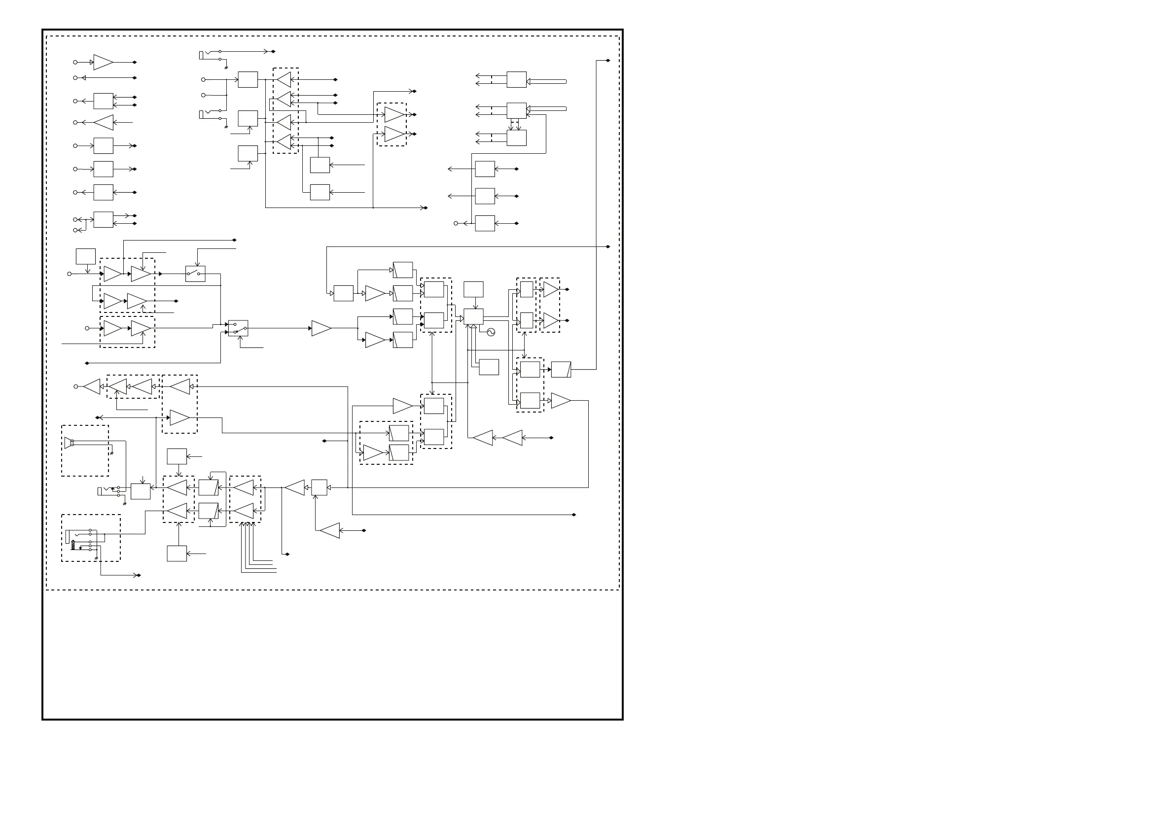
9 - 2
MAIN UNIT
AF
AM P
IC 2 4 1
U PC4570
ASND_from_FRONT_LOGIC
AMP
IC 3 3 1
U PC4570
SQLA
SPDI_to_LOGIC
IDLV_from_PA
TRVCTRL
2SC4081Q31
DCAMP
NJM2058
IC2051
AF
AM P
Q211:DTC114E
IC211:TC4W53
RL-CTRL
IC721:PS7122A L
Q721/Q722:DTC114Tx2
RL721
ALCL_to_LOGIC
FORV_FROM_CTRL
RXPLAY_from_LOGI
Q21:2SD1619/Q22:DTA114E
Q1:DTA114E
SEND
-CTRL
D/A
M62352
IC 1 9 2 1
BUFF
IC701
SN74LVC1G08DCKR
EXRL1_from_LOGIC
POWSET
Q2057:2SC4081
Q2060:UMH11
RFALC
SPDO_from_LOGIC
AFO_to_FRONT
REFV_from_CTR L
VCA
AF
AM P
2SA1576
Q2001
EXT
ALC-AMP
VCA
NJM2172IC 2 3 1
ALC
EXRL2_from_LOGIC
-12V_FROM_DCDC
IDHV_from_PA
AF
AM P
IC1801/IC1841
CD74HC4094x2
SERI /
PARA
DCAMP
VCA
LIMIT
AMP
U PC4570
IC221
MPLAY_from_LOGIC
SENI_to_LOGIC
PWR
AM P
IC281 LA4485
Q 201:DTC114E
IC201:TC4W53
TRVI_to_LOGIC
RTKI_to_LOGIC
VCA
NJM2172IC 3 1 1
MUTE
RL261
Q261:2SC4081
+3R3V_FROM_DCDC
SQLS_from_LOGIC
DCAMP
NJM2058
IC 2 0 5 1
RTTYKEY
2SC4081Q11
VDL_to_LOGIC
VCA
SQLCTRL
DTC114TQ731
SKYS_from_LOGIC
MREC_to_LOGI
C
APC
RXREC_to_LOGIC
BUFF
2SC408
1
Q761
IDL_to_LOGIC
SWR
NJM2058IC 2 0 0 1
PHI_TO_FRONT_CPU
MICAMP
NJM2172
IC 1 7 1
IC 1 3 6 1
TA79L05
-5V
REG
POCV_FROM_DA
SQL
SW
2SJ364
Q351
IC 1 6 5 1
TLV1117
1.2V
REG
NJM2125
IC 3 6 1
DCAMP
AF
AM P
ID
FIL
RIPPLE
Q282
AF
MUT E
Q281
DTC114T
LPF
Q291
CPH3403
LPF
Q301
CPH3403
+8
REG
Q810:2SC4081
D161:MA8091
VCA
IC191 NJM 2172
TIME-CTRL
Q2056:DTA144E
Q2055:DTC114T
ALC-RES
Q2058:2SK3018
Q2059:2SC4081
TIME-CTRL
Q2051:2SC1576
Q2052:DTC114T
DSP
IC 1 0 0 1
TMS320C6727
A/D
IC1251
AK5394
A/D
A/D
IC 1 4 0 1
AK5383
MUTE
IC1201:TC7W53
Q1201:DTC114E
AGC
AMP
IC1351
UPC4570
A/D
IC1131:TC7SHU04
IC1132:TC7SH04
X 1141:CR-754
AMP
IC 1 4 4 1
SN74LVC1GU04
BUFF
TC7S04
IC 1 4 3 1
MCLK_FROM_PL L
F-ROM
IC1101
AT29LV040
RESET
IC1111:TC7SH08
IC1112:R3111N111
D/A
IC1 5 01
AD1854
D/A
D/A
IC
1601
AK4335
D/A
LPF
IC1511/IC1521/IC1531
NJM5534x3
BUFF
IC 1 5 7 1
NJM5534
BUFF
IC1611
BA15532
AMP
TXIF_TO_RFUNIT
AGC_OUT_TO_RF
TONE_DET_OUT
_TO_LOGIC
RX_IF_FROM_RF
AGC_DET_FROM_RF
VOXAF_to_LOGIC
BUFF
IC1931
NJM2058
IC 7 4 1
TA78L08
+8V
REG
+15V_FROM_DCDC
LPF
IC 1 2 2 1
NJM5534
LPF
IC 1 2 3 1
NJM5534
LPF
IC 1 3 1 1
NJM5534
LPF
IC 1 3 2 1
NJM5534
BUFF
IC1211
NJM5534
BUFF
IC1331
NJM5534
BUFF
LPF
IC 1 4 5 1
NJM2058
LPF
FROM_FRONT_MIC_CONNECTOR
AF
AM P
TRVI
MDAT/MCK/ASTB1
SIGNAL
ACC(2)
SIGNAL
EXRL1
DSP_MOD IN
ACC(2)
AFGV1(FROM DAC)
B
NDV(FROM DAC )
(FROM SIRI/PARA)
MICREC
IDLV
TRV
FRONT UNIT
ACC(1)
HFS/50MS/AM S
D1R2V
ALC
(MIC AF)
AF
ALC
ANVOX
MAIN SP OUT
-5V
ACC(1)
MODV(FROM DAC)
CONTROL
-12V
ALC
SEND RELAY
IN
AAFV(FROM DAC)
ACC(1)
EXRL2
MICPLAY
SEND
MOD
PHL1(FROM DAC)
SPDI(TO LOGIC)
SQS
REFV
ACC(1)
RTTY
ACC(2)
MIGV(FROM_DAC)
PHL2(FROM DAC)
BAND
SPON(FROM S/P)
SP AF
ACC(1)
HFS/ 50MS/ AMS/ MMUT/ MCPS/ SMUT/ SPON/ UNSB/ FMS/ AFON/ RAMS
SEND
PHONE
S/P DIF
CHASSIS
FORV
SWITCH
ACC(1)
KEY
MCPS(FROM SIRI/PARA)
OUT
POCV
AFGV2(FROM DAC)
ACC(2)
SQLS
PHONES
RTKI
MICV/ DRIV(RF)/ POCV/ BNDV/
SATT(SCOPE)/ FANV/ MODV/ AAFV
IN T S P
ALC TO RF TX PART
MMUT FROM SIRI/PARA)
KEY
IDHV
MDAT/MCK/MSTB1
+3R3V
SENI
ASND
+15V
AFON
RAMS
RXAF
AM S
T8V&FMS
UNSB
12.288MHz
RX AF
TX IF
(36kHz)
RX IF
(36kHz)
8V
SIGNAL
CONTROL
PHL1/ PHL2/ AFGV1 /AFGV2
ACC(2)
8V
+15V
FROM RF UNIT
TO RF UNIT

Other manuals for Icom IC-7700

Related product manuals