EasyManua.ls Logo

Icom IC-H6 - Page 32

Icom IC-H6
57 pages
Print Icon
To Next Page IconTo Next Page
To Next Page IconTo Next Page
To Previous Page IconTo Previous Page
To Previous Page IconTo Previous Page
Loading...
-
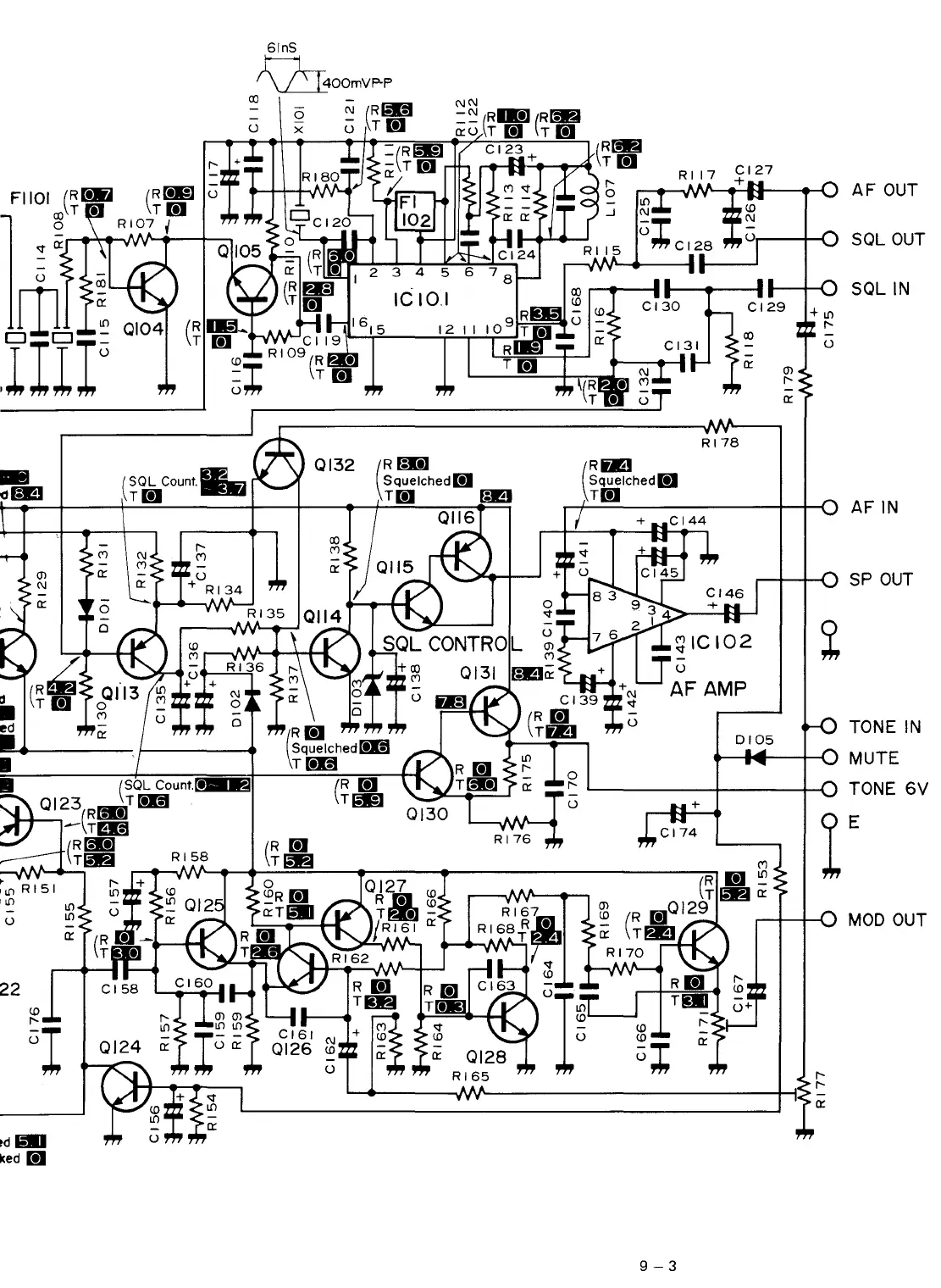
Fl
IOI
(R(;]6
(Rg] u
00
T
T(i)
u
rn
:
.IIII~
-
oGEI
~.nR151
I<{)
u
22
tdMI
ked m
L{)
L{)
-
a::
RI07
f
(
SQLCount..
T(;J
61nS
~OOmVP-P
Cl'.)
u
0
x
N
(R~
u
T(G
0132
ICI0.1
12
I I
(
R
f:ltJ
Squelched(;]
TlG
t:wa
u
(
RlfJE
Squelched[;]
T(G
+
Cl74
-
u
-
a::
Ri78
,__e-~~~""'\f\.IV'-~~~~~~~~~~~~~~-t-L>-
0::
9-3
AF
OUT
SOL
OUT
SQLIN
AFIN
SP
OUT
TONE
IN
MUTE
TONE
6V
MOD
OUT

Other manuals for Icom IC-H6

Related product manuals