EasyManua.ls Logo

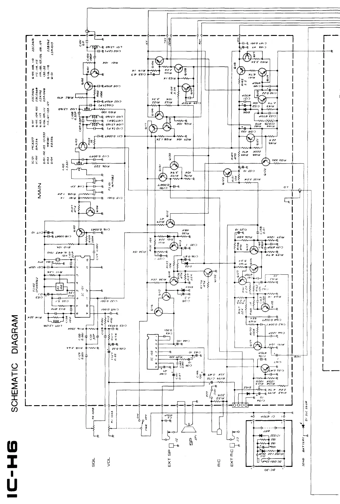
Icom IC-H6 - IC-H6 Overall Schematic Diagram; Complete Schematic Diagram

Icom IC-H6
57 pages
Print Icon
To Next Page IconTo Next Page
To Next Page IconTo Next Page
To Previous Page IconTo Previous Page
To Previous Page IconTo Previous Page
Loading...
()
I-
<{
:?!
UJ
I
()
(/)
ID
I
I
u
-
~
~ ~
~
~
g~~~~~
0 0 0
9SIS7
J.,017
L
______
_
_J
Cl
[JJ
_J
0
>
z~·o
9zo
'N
~
N
u c
~
~
a.
[JJ
f-
x
w
0..
~
UJ
\!
E
~
\!
E
f-
x
w
)IU
9Pl.Y
I
I
I
I
I
I
I
I
I
I
I
I
L_

Other manuals for Icom IC-H6

Related product manuals