EasyManua.ls Logo

Icom IC-M506 - Section 9 Block Diagram; Front Unit Block Diagram; Logic Unit Block Diagram

Icom IC-M506
45 pages
Print Icon
To Next Page IconTo Next Page
To Next Page IconTo Next Page
To Previous Page IconTo Previous Page
To Previous Page IconTo Previous Page
Loading...
9-1
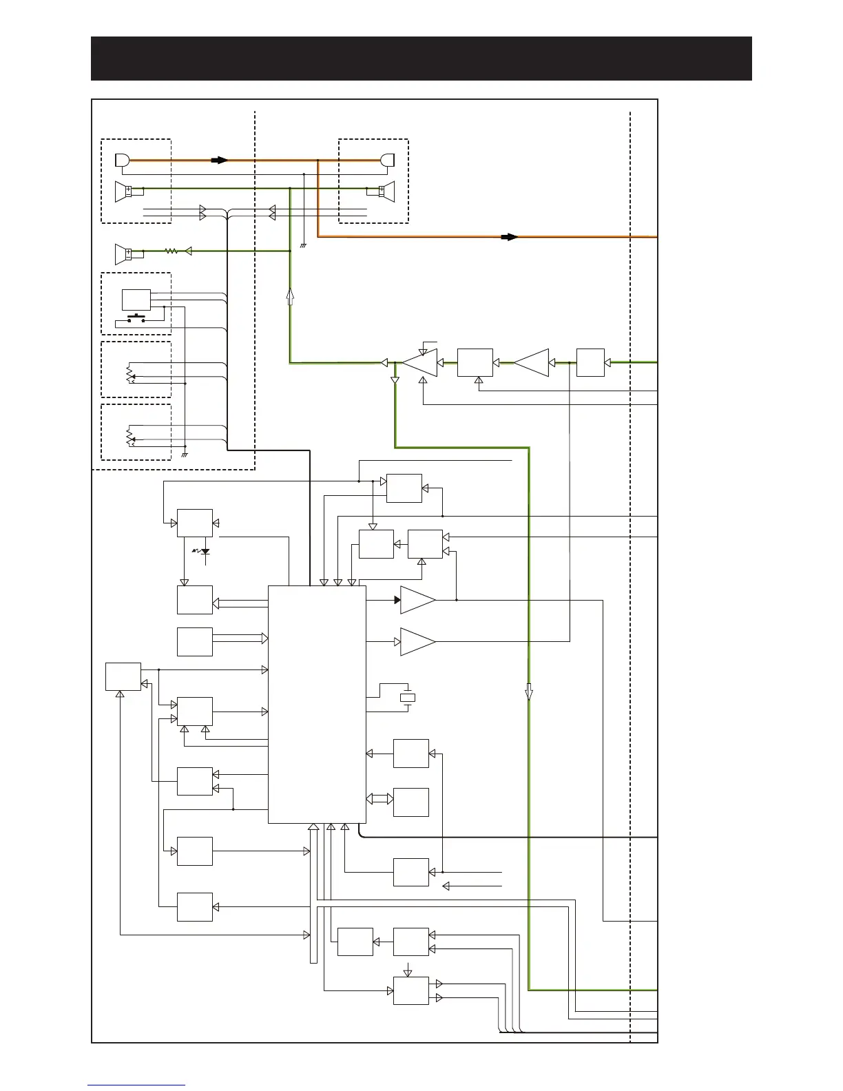
SECTION 9 BLOCK DIAGRAM
AF
AMP
SP1
BUFF
X1:CR-834
7.9872MHz
FY1101F
BUFF
SP1
AF
MUTE
SP1
1
R
COM
A
B
TP90N1007AE20
S1
CI-V
I/F
AF
AMP
1VOL3P
R1
1VOL3P
R1
BEEP
DTEST
DSCOUT
BEEPO
ENT
PTT
KEYM
NMEAO-
NMEAO+
NMEAI-
NMEAI+
VOLV
SQLV
L3V
L3V
PTT
KEYM
DIALA
DIALB
Key
Board
CPU
EEPROM
RESET
FRONT UNIT
IC1:STM32F101ZGT6
DS1:888BK01012
IC11:
LA4628
INT SP
NJU7704F3
BR24T256FJ
PTT
LCD
LMV358IPW
D3:L1SS400
IC14:
Q4:L2SC4081
MIC
HM-205B
KEYM
IC9:PC357N6J
PHOTO
COUPLER
NMEAI+
NMEAI-
HVL3V REG
3.3V
VCC
NMEAO+
Q6:L2SA1576
IC2B:
DECODER
IC12:NJM2211M
DSC DSC SW
IC3:TC7W53FK
DSCENC
IC5B:TC7W02FU
Q3:DTA114EU
HV
VCC
5V
Q5:L2SC4081
5V
PWM
LCD
MODULE
Q1:2SB1201
Q2:L2SC4081
BKLT
CTRL
DS2-10:L-C191KYCT
IC6:SN74AHCT1G04
COM1TXD
BUFF
BUFF
COM1RXD
Q7:2SK880
BUFF
NMEAI
NMEAO
BUFF
A/D
A/D
D1:DZ2J091M
IC10:
LMV358IPW
IC2A:
IC701A:
TC7S66FU
IC704:
IC4:NJM2830U1-33
1A
EVOL
LOGIC UNIT
BUS
UART
UART
GPS(OPT)
LCD
ICF3
HM-195(OPT)
NMEAinout
AIS_dtat(OPT)
NMEA2000(OPT)
PLLIC
A/DIC
EVOLIC
NoiSeCanselIC
EEPROM
VoiceScram(OPT)
DSC_DECODE
ATIS_DECODE
DIAL
OUT_ExpandIC
DECODER
ATIS
IC13:NJM2211M
WX
DIAL UNIT
HM-205RB
PTT
KEYM
MIC
(#06,#07)
IC7B:TC7WH14FK
IC702A:
M61545AFP
IC7A:
D5:4148U
NMEAO-
ISL81487IBZ
ICF3
COM1RXD
COM1TXD
CLONETXC
IC5A:TC7W02FU
UART
UART UART UART
IC706:
LMV321IDCK
IC8:TC7S08FU
COMTXD
COMRXD
CLONETX
BUFF
CLONERX
BUFF
IC17:SN74AHCT1G32
CMDPWSW
CLONERXC
VOL UNIT
SQL UNIT
(
A
TC7WH14FK

Other manuals for Icom IC-M506

Related product manuals