EasyManua.ls Logo

Icom IC-M602 - Page 11

Icom IC-M602
53 pages
Print Icon
To Next Page IconTo Next Page
To Next Page IconTo Next Page
To Previous Page IconTo Previous Page
To Previous Page IconTo Previous Page
Loading...
4 - 2
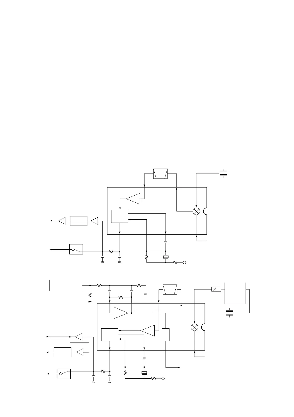
4-1-4 2ND IF AND DEMODULATOR CIRCUITS
(MAIN UNIT)
The 2nd mixer circuit converts the 1st IF signal into a 2nd IF
signal. A double superheterodyne system (which converts
receive signals twice) improves the image rejection ratio and
obtains stable receiver gain.
The FM IF IC (IC6 for channel 70, IC1 for other channels)
contains the 2nd local oscillator, 2nd mixer, limiter amplifier,
quadrature detector, and noise detector circuits, etc.
CHANNEL 70 CIRCUIT
The 1st IF signal from the 2nd IF amplifier (Q10) is applied
to the 2nd mixer section of FM IF IC (IC6, pin 16), and is
mixed with a 21.25 MHz 2nd LO signal, which is generated
at the 2nd oscillator section in IC6 and X3, to produce a 450
kHz 2nd IF signal.
The 2nd IF signal from IC6 (pin 3) is passed through the
ceramic filter (FI6), which unwanted signals are suppressed,
and is then applied to the 2nd IF (limiter) amplifier in IC6 (pin
5). The signal is applied to the FM detector section in IC6 for
demodulating into AF signals.
The FM detector circuit employs a quadrature detection
method (linear phase detection), which uses a ceramic dis-
criminator (X2) for phase delay to obtain a non-adjusting cir-
cuit. The detected signal from IC6 (pin 9) is applied to the AF
circuit.
OTHER CHANNELS CIRCUIT
The 1st IF signal from the 2nd IF amplifier (Q2) is applied to
the 2nd mixer section of FM IF IC (IC1, pin 16), and is mixed
with a 30.6 MHz 2nd LO signal, which is generated at the
PLL circuit using the reference frequency (15.3 MHz), to pro-
duce a 450 kHz 2nd IF signal.
The 2nd IF signal from IC1 (pin 3) is passed through the
ceramic filter (FI3), which unwanted signals are suppressed,
and is then applied to the 2nd IF (limiter) amplifier in IC1 (pin
5). The signal is applied to the FM detector section in IC1 for
demodulating into AF signals.
The FM detector circuit employs a quadrature detection
method (linear phase detection), which uses a ceramic dis-
criminator (X1) for phase delay to obtain a non-adjusting cir-
cuit. The detected signal from IC1 (pin 9) is applied to the AF
circuit.
2nd
Mixer
16
Limiter
amp.
2nd IF filter
450 kHz
X3
21.25 MHz
X2
(21.25 MHz)
IC6 TA31136FN
1st IF (21.7 MHz) from Q10
11109
1
6
IC11
IC3c,
IC3d
IC5a,
IC5b
"DEC2" signal
IC9
53
AF signal "DET"
8V
2
FI6
FM
detector
DSC
decoder
2nd
Mixer
16
Limiter
amp.
2nd IF filter
450 kHz
PLL IC
IC12
X4
15.3 MHz
X1
(30.6 MHz)
Q16
RSSI
IC1 TA31136FN
14
1st IF (31.05 MHz) from Q2
"NOISE" signal to the SQL amplifier (IC2, pin 1)
11109
1
7
IC11
IC3a
IC3b
"DEC1" signal
"WXDEC" signal
87 5 3
AF signal "DET"
8V
D/A convertor IC
(IC15, pin 23)
2
17
16
Active
filter
FI3
Noise
detector
FM
detector
2
DSC
decoder
2ND IF AND DEMODULATOR CIRCUITS
(For CHANNEL 70 ONLY)
2ND IF AND DEMODULATOR CIRCUITS
(For OTHER CHANNELS)

Other manuals for Icom IC-M602

Related product manuals